Inloggen
Upload
Download
Inhoudsopgave
Inhoud
Voeg toe aan mijn lijst
Verwijder uit mijn lijst
Deel
URL van deze pagina:
HTML Link:
Markeer deze pagina
Toevoegen
Handleiding wordt automatisch toegevoegd aan "Mijn handleidingen"
Print deze pagina
×
Bladwijzer toegevoegd
×
Toegevoegd aan mijn handleidingen
Handleidingen
Merken
Atag Handleidingen
Ketels
Q25CC
Installatie- en servicehandleiding
Electrisch Schema - Atag Q25Cc Installatie- En Servicehandleiding
Verberg thumbnails
1
2
Inhoud
3
4
5
6
7
8
9
10
11
12
13
14
15
16
17
18
19
20
21
22
23
24
25
26
27
28
29
30
31
32
33
34
35
36
37
38
39
40
41
42
43
44
45
pagina
van
45
Ga
/
45
Inhoud
Inhoudsopgave
Bladwijzers
Inhoudsopgave
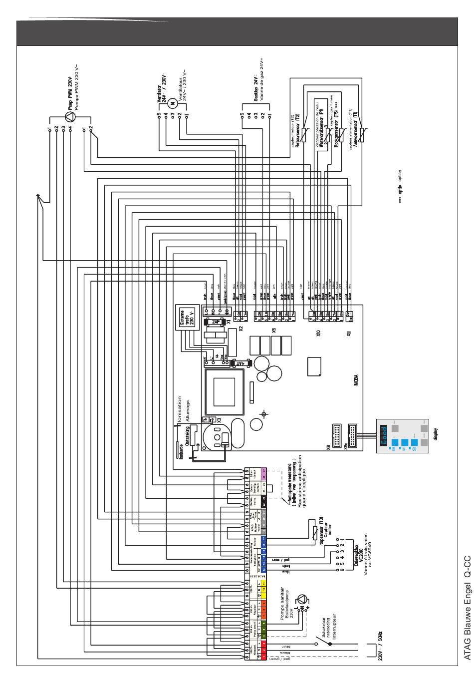
Appendix C.
Electrisch schema / Schéma d'électrique
73
Inhoud
sopgave
Vorige
Pagina
Volgende
Pagina
1
...
35
36
37
38
39
40
41
42
Inhoudsopgave
Gerelateerde Handleidingen voor Atag Q25CC
Ketels Atag Q Series Installatievoorschrift
(40 pagina's)
Ketels Atag Q Series Gebruikshandleiding
(16 pagina's)
Ketels Atag QR Series Gebruikshandleiding
(15 pagina's)
Ketels Atag QR Series Gebruikshandleiding
(84 pagina's)
Ketels Atag QR Series Gebruikershandleiding
(81 pagina's)
Ketels Atag QR Series Handleiding
(13 pagina's)
Ketels Atag Q-Solar Gebruikshandleiding
(20 pagina's)
Ketels Atag Q-CC Gebruikshandleiding
(16 pagina's)
Ketels Atag Q-CC Gebruikshandleiding
(16 pagina's)
Ketels Atag QR-Solar Series Gebruikshandleiding
(88 pagina's)
Ketels Atag Q25SR Handleiding
(4 pagina's)
Ketels Atag QR-CC Series Gebruikershandleiding
(80 pagina's)
Ketels Atag Q30CCR Gebruiksaanwijzing
(11 pagina's)
Ketels Atag Q25CCR Gebruikershandleiding
(81 pagina's)
Ketels Atag ComfortBoiler CBS150 Installatievoorschrift
(24 pagina's)
Ketels Atag E Series Gebruikshandleiding
(16 pagina's)
Gerelateerde Inhoud Voor Atag Q25CC
ZonneGasCombiQ Electrisch Schema
Atag ZonneGasCombiQ
QR-CC Series Electrisch Schema
Atag QR-CC Series
i Zone Series Elektrisch Schema
Atag i Zone Series
E264EC ALEC Elektrisch Schema Cv-Ketel
Atag E264EC ALEC
ComfortBoiler S-HR15V60 Schema Onderdelen Boiler Cbv60
Atag ComfortBoiler S-HR15V60
QR Series Elektrisch Schema
Atag QR Series
E Series Elektrisch Schema
Atag E Series
E223C Elektrisch Schema
Atag E223C
ZonneGasCombi II Schema Diverse Onderdelen Toestel
Atag ZonneGasCombi II
A Series Elektrisch Schema
Atag A Series
P Series Elektrisch Schema
Atag P Series
Blauwe Engel Series Schema Diverse Onderdelen Toestel
Atag Blauwe Engel Series
i Series Elektrisch Schema
Atag i Series
QR-Solar Series Hydraulisch Schema Qr-Solar
Atag QR-Solar Series
A Series Elektrisch Schema
Atag A Series
Deze handleiding is ook geschikt voor:
Q30cc
Q-cc series
Inhoudsopgave
Afdrukken
Hernoem de bladwijzer
Verwijder bladwijzer?
Verwijder uit mijn lijst?
Inloggen
Inloggen
OF
Inloggen met Facebook
Inloggen met Google
Handleiding uploaden
Uploaden vanaf harde schijf
Uploaden vanaf URL