Download Inhoudsopgave Inhoud Print deze pagina

Een Mp3-/Wma-Bestand Verwijderen; Geluidsweergave Tijdelijk Uitschakelen; Bestandsinformatie Weergeven; Demo - Lg Cm4541 Gebruikershandleiding

Inhoudsopgave
,
Let op
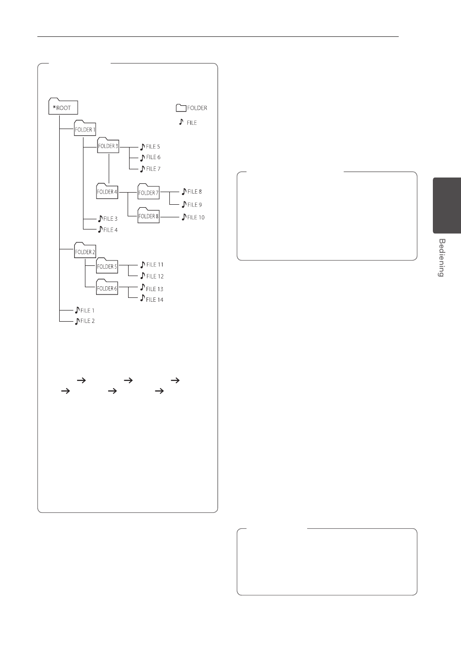
y CD / USB Mappen/Bestanden worden als
volgt herkend.
y Indien er geen bestand in een map bevindt,
dan wordt de map niet getoond.
y Mappen zullen in de volgende volgorde
getoond worden;
ROOT
FOLDER 1
7
FOLDER 8
FOLDER 5
y Bestanden zullen afgespeeld worden van $
bestand nr.1 tot $ bestand nr.14, één voor
één.
y Bestanden en mappen zullen in volgorde
van opname getoond worden en kunnen
volgens de opname-omstandigheden
anders getoond worden.
y *ROOT: Het eerste scherm dat u ziet
wanneer een computer de CD/USB herkent,
wordt "ROOT" genoemd.
Een MP3-/WMA-bestand
verwijderen
U kunt een bestand of map verwijderen of een
schijf formatteren door op DELETE te duwen.
(Alleen USB)
1. Druk tijdens het selecteren van het MP3-/WMA-
bestand herhaaldelijk op DELETE. Deze functie
wordt alleen in de stop-modus ondersteund. Het
scherm wordt in de volgende volgorde gewijzigd.
FOLDER 3
FOLDER
FOLDER 6
- DEL FILE : Verwijdert bestanden.
- DEL DIR : Verwijdert een map.
- FORMAT : Formateert USB.
2. Druk op d/M op de afstandsbediening of op
T op het apparaat om een bestand/map te
verwijderen of om te formatteren.
3. Wilt u de huidige modus beëindigen, druk dan
op Z ENTER op de afstandsbediening of op I
op het apparaat.
>
Waarschuwing
y Verwijder het USB-apparaat niet wanneer
het actief is (afspelen, verwijderen, etc.)
y Er wordt geadviseerd een regelmatige
back-up van de gegevens te maken om
gegevensverlies te voorkomen.
y De functie 'verwijderen' wordt niet altijd
ondersteund, afhankelijk van de USB-status.
Geluidsweergave tijdelijk
uitschakelen
Druk op MUTE@ op de afstandsbediening om
uw geluid te dempen.
U kunt uw apparaat dempen om bijvoorbeeld
de telefoon aan te nemen, "MUTE" zal dan in het
display verschijnen en knipperen.
Druk nogmaals op MUTE@ om het te annuleren,
of verander het volumeniveau.

Bestandsinformatie weergeven

Wanneer u tijdens het afspelen van mp3-bestanden
die bestandsinformatie bevatten op INFO drukt,
wordt de informatie weergegeven.

DEMO

Druk eenmaal op DEMO/RDS als het apparaat uit
staat. Het apparaat gaat aan en iedere functie zal in
het display verschijnen. Druk nogmaals op
DEMO/RDS om de DEMO-functie te annuleren.
,
Let op
U heeft de beschikking over andere functies
tijdens de DEMO. Dan zal de DEMO tijdelijk
pauzeren.
- Als er binnen 10 seconden geen toetsaanslag
is, zal de DEMO automatisch weer afspelen.
Bediening
19
3
Inhoudsopgave
loading

Deze handleiding is ook geschikt voor:

Cms4540fCms4540wCm4441Cm4341Cms4340f

Inhoudsopgave