Download Print deze pagina

enphase CT-100-SPLIT-ROW Installatie-Instructie pagina 2

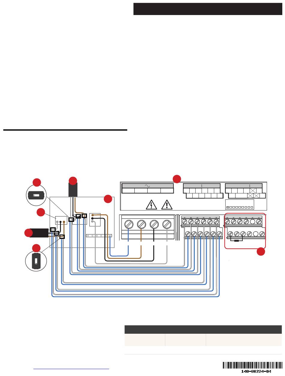
Het verbruik monitoren op fase 1:
Verbind de witte draad met de terminal "I1•" en de "I1" met
-
de blauwe terminal "C1".
Klem de stroomtransformator op de hoofdtoevoerkabel 1.
-
Wanneer de verbruiksstroomtransformator zich op fase 1
bevindt, moet de pijl naar de groepenkast wijzen (van het
energienet af).
Het verbruik monitoren op fase 2:
Verbind de witte draad met de terminal "I2•" en de blauwe
-
draad met de terminal "I2".
Klem de stroomtransformator op de hoofdtoevoerkabel 2.
-
Wanneer de verbruiksstroomtransformator zich op fase 2
bevindt, moet de pijl naar de groepenkast wijzen (van het
energienet af).
Het verbruik monitoren op fase 3:
Verbind de witte draad met de terminal "I3•" en de blauwe
-
draad met de terminal "I3".
Klem de stroomtransformator op de hoofdtoevoerkabel 3.
-
Wanneer de verbruiksstroomtransformator zich op fase 3
bevindt, moet de pijl naar de groepenkast wijzen (van het
energienet af).
Draai alle aansluitingen vast op 0,56 N m.
C ) Sluit de deur van het terminalblok van de IQ Gateway stevig.
D ) Schakel het PV-systeem in.
INSTALLATIETIPS
Meerdere geleiders installeren in een enkele stroomtransformator
Als u meerdere geleiders moet installeren in een enkele stroom-
transformator, moet u er zeker van zijn dat de geleiders op dezelfde
fasegeleider eindigt, zodat de spanning bij de terminals van de twee
geleiders 0V is.
1
2
3
4
Manufacturer's information:
Falco Electronics Ltd
No. 1688 Xinyang North Road
Haicang District
Xiamen, Fujian
PRC, 361022
Tel: +86-592-310-2555
© 2023 Enphase Energy. Alle rechten voorbehouden. Enphase, de e- en CC-logo's, IQ en bepaalde andere merken die
worden vermeld op
https://enphase.com/trademark-usage-guidelines
VS en andere landen. Data, onderhevig aan wijzigingen. Rev 04/07-10-2023
5
6
CU, 2.5 mm
MEAS CAT III
OVC III
Revisie geschiedenis
zijn handelsmerken van Enphase Energy, Inc. in de
Enphase-klantenondersteuning: https://enphase.com/contact/support
Deze aanpak kent een aantal uitdagingen:
Een bekabelingsfout is eenvoudig gemaakt.
-
De geleiders moet binnen de stroomtransformator passen.
-
Alle geleiders op fase 1 moeten gebundeld worden met de ladingen
-
van de stroomtransformator van fase 1.
Alle geleiders op fase 2 moeten gebundeld worden met de ladingen
-
van de stroomtransformator van fase 2.
Alle geleiders op fase 3 moeten gebundeld worden met de ladingen
-
van de stroomtransformator van fase 3.
Enkele van de circuits moeten mogelijk worden verlengd.
-
Het is vaak mogelijk om alle geleiders in een onderhoudspaneel door een
enkele set verbruiksstroomtransformatoren te laten lopen.
Parallel met elkaar verbonden stroomtransformatoren installeren voor
200 A-services en in volle onderhoudspanelen
Meerdere geleiders in een enkele stroomtransformator installeren kan
moeilijk zijn wanneer sommige geleiders door de onderkant van het
onderhoudspaneel binnenkomen en andere door de bovenkant. Sommige
onderhoudspanelen hebben 200 A-services die worden geleverd door een
set van twee geleiders van elk 100 A met parallel met elkaar verbonden
100 A-stroomonderbrekers. In deze gevallen kunt u een set van parallel
met elkaar verbonden verbruiksstroomtransformatoren gebruiken om het
verbruik van het huis te monitoren. Dit doet u door twee verbruiksstroom-
transformatoren te installeren, een op elke fasegeleider, en vervolgens
verbindt u de uitgangsgeleiders parallel op de bedradingsterminals van
de stroomtransformator van de IQ Gateway of in een draadaansluiting
voordat u ze in de terminals van de IQ Gateway steekt.
7
L1
L2
L3
N
, 75C
2
N
L1
L2
L3
H E R Z I E N I N G
D AT U M
140-00224-04
Juli 2023
Production
Consumption
Digital Input
I1●
I2●
I3●
I1●
I2●
I3●
1 / 5 2 / 6 3 / 7 4 / 8
I1
I2
I3
I1
I2
I3
RefGen Com / DRM Ø
AU/NZ: DRM Port
0 1 2 3 4 5 6 7 8
LEGENDA:
1. Verbruiksstroomtransfor-
mator
2. Hoofdisolatieschakelaar
3. Naar de meter
4. Verbruiks-trafo
5. Output van PV Systeem
6. Elektrisch paneel
7. Aansluitpunten IQ Gateway
8. Niet gebruikt
B E S C H R I J V I N G
Specificatie van de werkomgeving en infor-
matie van de fabrikant toegevoegd
Vorige releases
Relay
NO
C
PD, B300
OVC II
8
loading