Download Print deze pagina

enphase CT-100-SPLIT-ROW Installatie-Instructie pagina 2

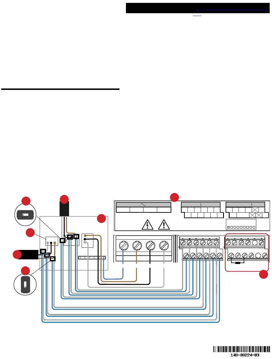
Het verbruik monitoren op fase 2:
Verbind de witte draad met de terminal "I2•" en de blauwe
-
draad met de terminal "I2".
Klem de stroomtransformator op de hoofdtoevoerkabel 2.
-
Wanneer de verbruiksstroomtransformator zich op fase 2
bevindt, moet de pijl naar de groepenkast wijzen (van het ener-
gienet af).
Het verbruik monitoren op fase 3:
Verbind de witte draad met de terminal "I3•" en de blauwe
-
draad met de terminal "I3".
Klem de stroomtransformator op de hoofdtoevoerkabel 3.
-
Wanneer de verbruiksstroomtransformator zich op fase 3
bevindt, moet de pijl naar de groepenkast wijzen (van het ener-
gienet af).
Draai alle aansluitingen vast op 0,56 Nm.
C ) Sluit de deur van het terminalblok van de IQ Gateway stevig.
D ) Schakel het PV-systeem in.
INSTALLATIETIPS
Meerdere geleiders installeren in een enkele stroomtransformator
Als u meerdere geleiders moet installeren in een enkele stroom-
transformator, moet u er zeker van zijn dat de geleiders op dezelfde
fasegeleider eindigt, zodat de spanning bij de terminals van de twee
geleiders 0V is.
Deze aanpak kent een aantal uitdagingen:
Een bekabelingsfout is eenvoudig gemaakt.
-
De geleiders moet binnen de stroomtransformator passen.
-
Alle geleiders op fase 1 moeten gebundeld worden met de
-
ladingen van de stroomtransformator van fase 1.
Alle geleiders op fase 2 moeten gebundeld worden met de
-
ladingen van de stroomtransformator van fase 2.
Alle geleiders op fase 3 moeten gebundeld worden met de
-
ladingen van de stroomtransformator van fase 3.
Enkele van de circuits moeten mogelijk worden verlengd.
-
Het is vaak mogelijk om alle geleiders in een onderhoudspaneel door
een enkele set verbruiksstroomtransformatoren te laten lopen.
1
2
3
4
© 2022 Enphase Energy. Alle rechten voorbehouden. Enphase, het Enphase-logo, Enphase Enlighten, Enphase IQ Gate-
way en andere handelsmerken of servicenamen zijn de handelsmerken van Enphase Energy, Inc. Data, onderhevig aan
wijzigingen. Rev03-04-08-2022
5
6
Enphase-klantenondersteuning:
Parallel met elkaar verbonden stroomtransformatoren installeren voor
200A-services en in volle onderhoudspanelen
Meerdere geleiders in een enkele stroomtransformator installeren kan
moeilijk zijn wanneer sommige geleiders door de onderkant van het on-
derhoudspaneel binnenkomen en andere door de bovenkant. Sommige
onderhoudspanelen hebben 200A-services die worden geleverd door een
set van twee geleiders van elk 100 A met parallel met elkaar verbonden
100A-stroomonderbrekers. In deze gevallen kunt u een set van parallel
met elkaar verbonden verbruiksstroomtransformatoren gebruiken om
het verbruik van het huis te monitoren. Dit doet u door twee verbruiks-
stroomtransformatoren te installeren, een op elke fasegeleider, en vervol-
gens verbindt u de uitgangsgeleiders parallel op de bedradingsterminals
van de stroomtransformator van de IQ Gateway of in een draadaanslui-
ting voordat u ze in de terminals van de IQ Gateway steekt.
N
L1
L2
L3
2
CU, 2.5 mm
, 75C
MEAS CAT III
OVC III
N
L1
L2
L3
https://enphase.com/contact/sup-
port
7
Production
Consumption
I1●
I2●
I3●
I1●
I2●
I3●
I1
I2
I3
I1
I2
I3
Digital Input
Relay
NO
1 / 5 2 / 6 3 / 7 4 / 8
RefGen Com / DRM Ø
C
AU/NZ: DRM Port
PD, B300
0 1 2 3 4 5 6 7 8
OVC II
8
LEGENDA:
1. Verbruiksstroomtrans-
formator
2. Hoofdisolatieschakelaar
3. Naar de meter
4. Verbruiks-trafo
5. Output van PV Systeem
6. Elektrisch paneel
7. Aansluitpunten IQ Gate-
way-S
8. Niet gebruikt
loading