Download Inhoudsopgave Inhoud Print deze pagina

Electrisch Schema; Bedradingsschema - Ice I20B Gebruikershandleiding

En onderdelen
Inhoudsopgave

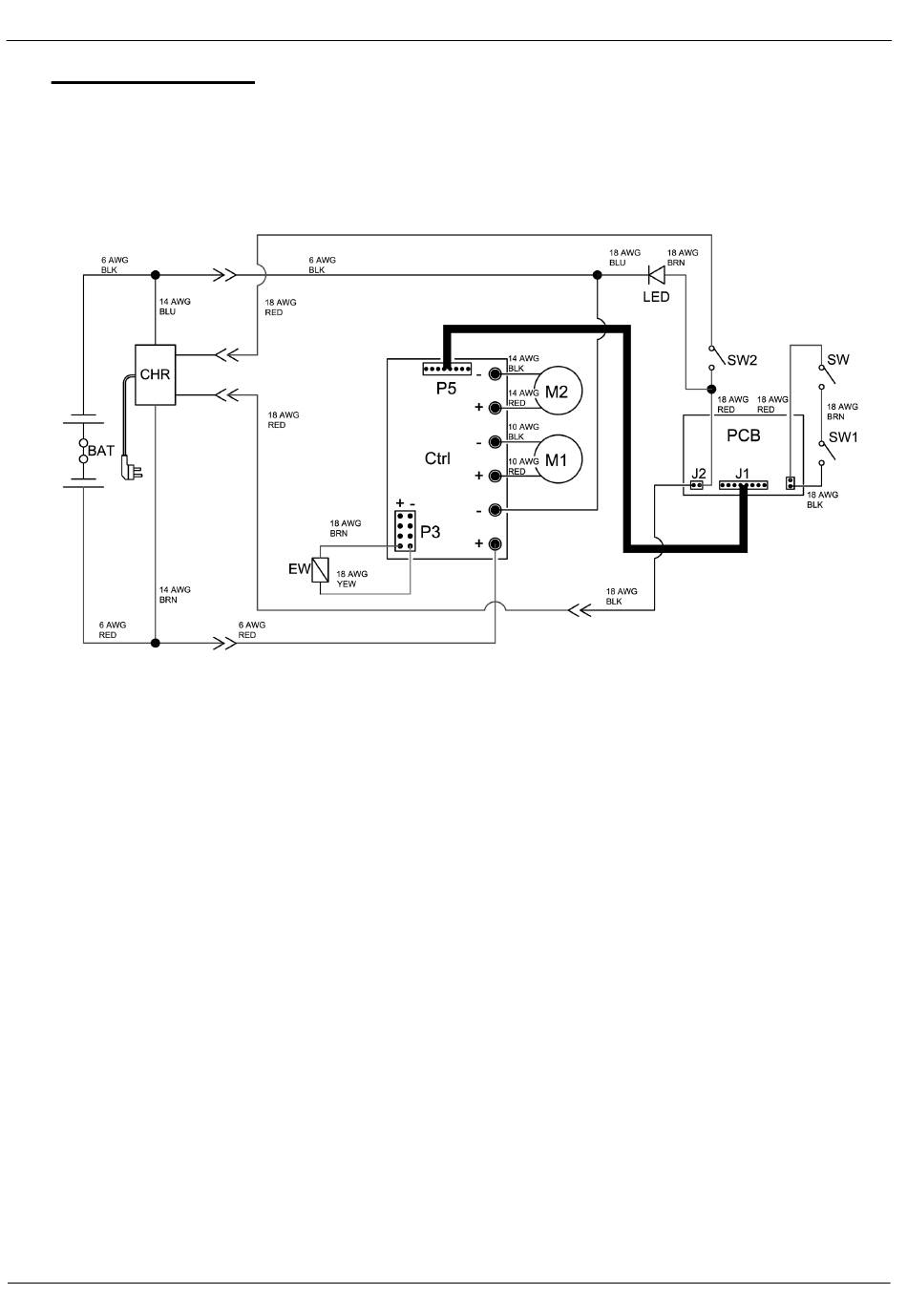
ELECTRISCH SCHEMA

i20B
BAT: 2-12 V BATTERIJ
CHR: INGEBOUWDE HF LADER
SW:
HENDEL SCHAKELAAR
SW1: BORSTELMOTOR SCHAKELAAR
SW2: SLEUTEL SCHAKELAAR
CTRL: SCHOBBEN CONTROLE
PCB: PCB MOEDERBORD
LED: LED INDICATIE LICHT
EW:
SCHOONWATERKLEP
M1:
BORSTELMOTOR
M2:
ZUIGMOTOR
BLK: Zwart
BLU: Blauw
BRN: Bruin
GRN: Groen
RED: Rood
WHT: Wit
YEW: Geel
29
ICE i20B
Inhoudsopgave
loading

Inhoudsopgave