Download Inhoudsopgave Inhoud Print deze pagina

Stap 4: Audiokabels Aansluiten - Sony Rdr-Gx300 Gebruiksaanwijzing

Inhoudsopgave

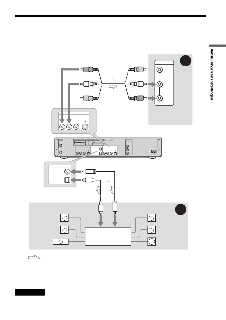
Stap 4: Audiokabels aansluiten

Selecteer een van de patronen A of B, afhankelijk van de ingang op de televisiemonitor, projector of
AV-versterker (receiver).
Als u dit doet, kunt u geluid beluisteren.
DIGITAL OUT
COAXIAL
PCM/DTS/MPEG/
DOLBY DIGITAL
OPTICAL
Optisch digitale kabel (niet meegeleverd)
[Luidsprekers]
Achter (L)
Voor (L)
Midden
: Signaalverloop
* De gele stekker wordt gebruikt voor videosignalen (pagina 14).
z Tip
Raadpleeg de gebruiksaanwijzing van de aangesloten componenten voor een correcte opstelling van de luidsprekers.
Opmerking
Sluit niet tegelijkertijd de LINE IN (AUDIO L/R) aansluitingen aan op de audio-uitgangen van de televisie. Hierdoor
produceren de luidsprekers van de TV ongewenste ruis.
(rood)
Audio-/videokabel
(meegeleverd)
(wit)
(geel)*
LINE 2 OUT
R
AUDIO
L
VIDEO
S VIDEO
naar LINE 2 OUT (R-AUDIO-L)
AERIAL
LINE 1 - TV
LINE 3 / DECODER
IN
LINE 4 IN
DIGITAL OUT
COAXIAL
R
AUDIO
L
VIDEO
S VIDEO
PCM/DTS/MPEG/
DOLBY DIGITAL
OPTICAL
OUT
naar DIGITAL OUT (COAXIAL
of OPTICAL)
naar optisch
digitale ingang
AV-versterker (receiver)
met een decoder
(geel)
(wit)
(rood)
COMPONENT
VIDEO OUT
Y
LINE 2 OUT
P
/ C
B
B
R
AUDIO
L
VIDEO
S VIDEO
P
/ C
R
R
DVD recorder
of
Digitale coaxkabel
(niet meegeleverd)
naar digitale
coaxingang
A
INPUT
VIDEO
L
AUDIO
R
Televisie, projector of
AV-versterker
(receiver)
~
AC IN
B
[Luidsprekers]
Achter (R)
Voor (R)
Subwoofer
,wordt vervolgd
17
Inhoudsopgave
loading

Deze handleiding is ook geschikt voor:

Rdr-gx700

Inhoudsopgave