Download Inhoudsopgave Inhoud Print deze pagina

Stap 3: Audiokabels Aansluiten - Sony Rdr-Hx1025 Gebruiksaanwijzing

Inhoudsopgave

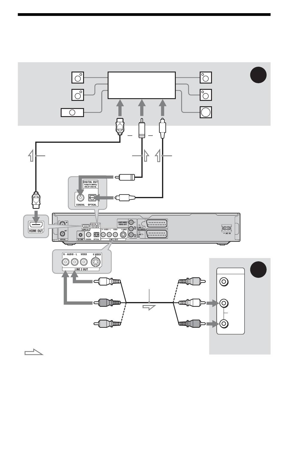
Stap 3: Audiokabels aansluiten

Selecteer een van de patronen A of B, afhankelijk van de ingang op de televisie, projector of
AV-versterker (ontvanger). Als u dit doet, kunt u geluid beluisteren.
[Luidsprekers]
Achter (L)
Voor (L)
Midden
HDMI kabel
(niet
meegeleverd)
naar HDMI
OUT
: Signaalverloop
* De gele stekker wordt gebruikt voor videosignalen (pagina 19).
A Digitale audio-ingang
Gebruik deze aansluiting als de AV-
versterker (ontvanger) een Dolby
*2
DTS
of MPEG audio decoder en een
digitale ingang heeft. U kunt genieten van
Dolby Digital (5.1ch), DTS (5.1ch) en MPEG
audio (5.1ch) surroundeffecten.
22
AV-versterker (ontvanger)
met een decoder
of
Digitale coaxkabel
(niet meegeleverd)
naar DIGITAL OUT (COAXIAL of OPTICAL)
naar LINE 2 OUT
(R-AUDIO-L)
Audio/video-kabel
(niet meegeleverd)
(wit)
(rood)
(geel)*
*1
Digital,
naar digitale ingang
of
(coax of optisch/HDMI)
Optisch digitale kabel
(niet meegeleverd)
(geel)
(wit)
(rood)
B Audio L/R-ingangen
Met deze aansluiting worden de twee
luidsprekers van uw TV of stereo versterker
(ontvanger) gebruikt voor geluidsweergave.
[Luidsprekers]
A
Achter (R)
Voor (R)
Subwoofer
DVD-recorder
B
INPUT
VIDEO
L
AUDIO
R
Televisie, projector
of AV-versterker
(ontvanger)
Inhoudsopgave
loading

Inhoudsopgave