Download Inhoudsopgave Inhoud Print deze pagina

Toro TM5490 Gebruikershandleiding pagina 12

Verberg thumbnails Zie ook voor TM5490:
Inhoudsopgave
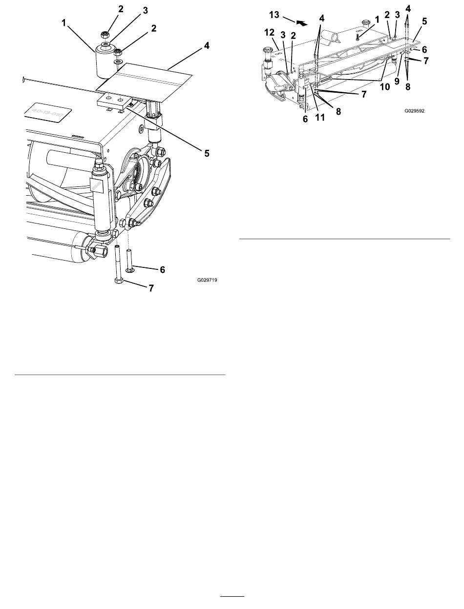
Figuur 4
Alleen maaidek van 200 mm
1. Schokbreker
2. Borgmoer (M10)
3. Ring (M10)
4. Rolbehuizing
7. Pas maaidek 4 en 5 aan van linkse naar rechtse
configuratie. Ga als volgt te werk:
A. Verwijder de beschermkap en gooi deze weg.
B. Verwijder de snapring.
C. Verwijder het contragewicht samen met de O-ring
en monteer het aan de niet-aangedreven zijde.
D. Draai de inbusschroeven vast met een torsie van
80 Nm.
5. Plaat van rolbehuizing
6. Slotbout (M10 x 55 mm)
7. Bout (M10 X 90 mm)
Alleen maaidekken 2 en 4
1. Slotbout (M10 x 25 mm)
2. Ring (M10)
3. Borgmoer (M10)
4. Schroef (M5 x 16 mm)
5. Achterste geleider
6. Tussenstuk van geleider
7. Ring (3/16 inch)
Belangrijk: Monteer de snapring aan de
aandrijvingszijde.
8. Stel de handwielen voor de cilinderafstelling van
maaidek 3 in op de gehoekte achteruitstand. Ga als
volgt te werk
(Figuur
A. Verwijder de moeren, bouten en ringen uit de
voorste gaten.
B. Verwijder de moeren, bouten en ringen
waarmee de handwielen bevestigd zijn aan het
maaidekframe.
C. Verwijder de klemmoeren van de ringbout,
de ringen en de veerringen, en verwijder de
handwielen.
D. Stel de handwielen zo af dat u de juiste
bevestigingslocaties verkrijgt en monteer de
handwielen in de alternatieve posities.
E. Monteer al het bevestigingsmateriaal en draai het
stevig vast.
12
Figuur 5
8. Borgmoer (M5)
9. Rechter geleiderbeugel
10. Slotbout (M10 x 55 mm)
11. Linker geleiderbeugel
12. Maaidek
13. Voorzijde
6):
Inhoudsopgave
loading

Deze handleiding is ook geschikt voor:

Tm74900270002701315000001

Inhoudsopgave