Download Inhoudsopgave Inhoud Print deze pagina

Warmtapwaterpomp Voor Ogenblikkelijk Warm Water; Warmtapwaterpomp Voor Desinfectie - Daikin Altherma 3 R W Erla11Dav3 Uitgebreide Handleiding Voor De Installateur

Verberg thumbnails Zie ook voor Altherma 3 R W ERLA11DAV3:
Inhoudsopgave
6
|
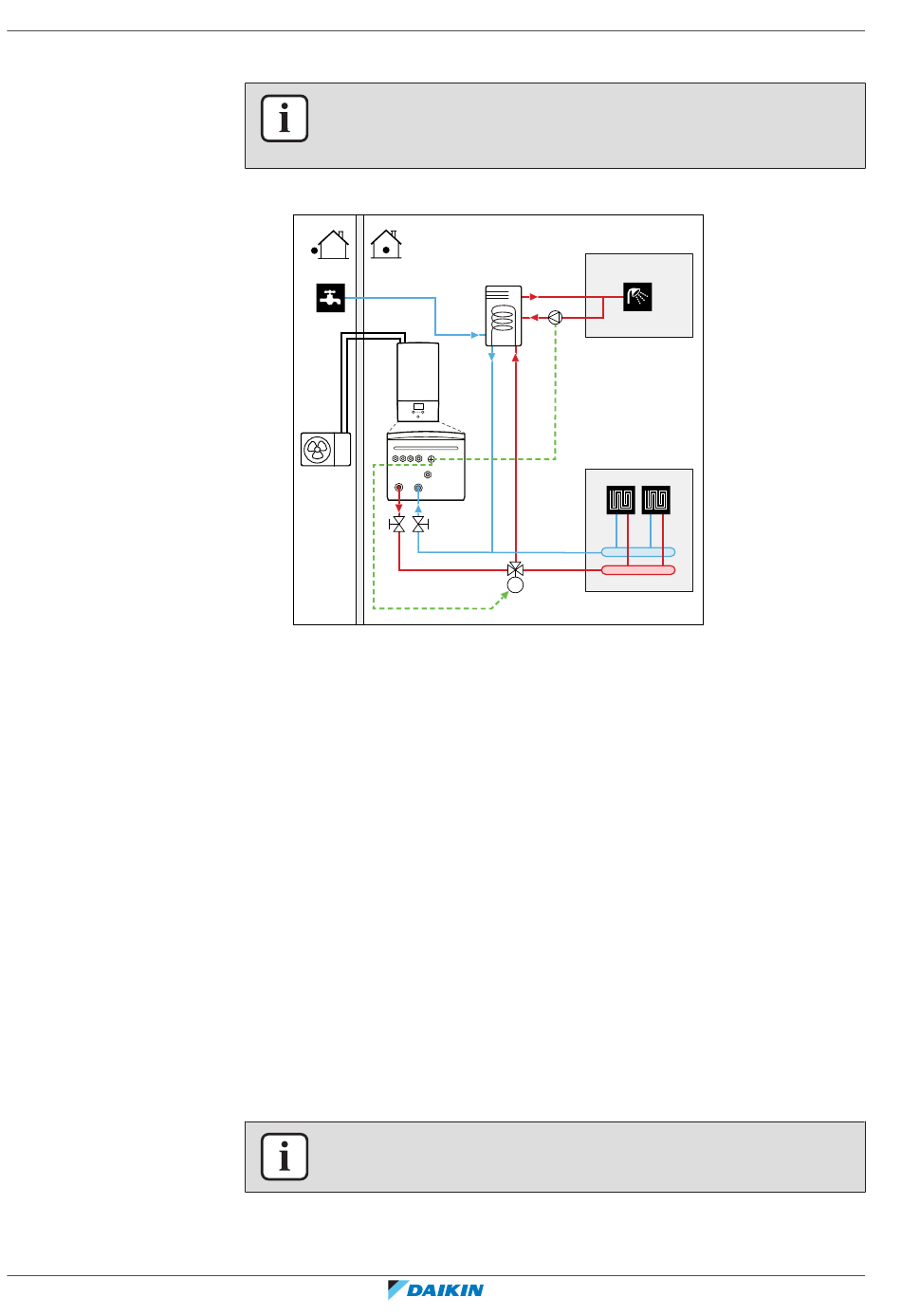
Richtlijnen met betrekking tot mogelijke toepassingen

6.4.4 Warmtapwaterpomp voor ogenblikkelijk warm water

6.4.5 Warmtapwaterpomp voor desinfectie

Uitgebreide handleiding voor de installateur
56
INFORMATIE
Dit onderwerp toont een voorbeelden van een toepassing in het geval van
roestvrijstalen tanks (EKHWS*D*).
Opstelling
b
a Warmtapwatertank
b Koud water IN
c UITGANG warm water (douche (ter plaatse te voorzien))
d Warmtapwaterpomp (ter plaatse te voorzien)
e Hercirculatieaansluiting
f Gemotoriseerde 3-wegsklep (lokale levering)
Door een warmtapwaterpomp aan te sluiten stroomt ogenblikkelijk warm water
uit de kraan.
De warmtapwaterpomp en de plaatsing ervan zijn ter plaatse te voorzien en
vallen onder de verantwoordelijkheid van de installateur. Voor de elektrische
bedrading, zie
"9.3.5 De pomp van het warm tapwater
Voor meer informatie over het aansluiten van de hercirculatieverbinding, zie de
installatiehandleiding van de warmtapwatertank.
Configuratie
Voor meer informatie, zie "11 Configuratie" [
U kunt een programma programmeren om de warmtapwaterpomp via de
gebruikersinterface te bedienen. Voor meer informatie, zie de uitgebreide
handleiding voor de gebruiker.
INFORMATIE
Beperking: Alleen van toepassing bij roestvrijstalen tanks (EKHWS*D*).
a
c
e
d
M
f
aansluiten" [
4
 151].
4
 139].
ERLA11~16DAV3+W1 + EBBH/X11+16DF
Daikin Altherma 3 R W
4P643603-1 – 2021.09
Inhoudsopgave
loading

Inhoudsopgave