Download Inhoudsopgave Inhoud Print deze pagina

Technische Gegevens; Schema Van De Leidingen: Binnenunit - Daikin Altherma 3 R W Ehbh04Ef6V Installatiehandleiding

Verberg thumbnails Zie ook voor Altherma 3 R W EHBH04EF6V:
Inhoudsopgave
10

Technische gegevens

Een subset van de meest recente technische gegevens is beschikbaar op de regionale website van Daikin (publiek toegankelijk). De volledige
set meest recente technische gegevens is beschikbaar op de Daikin Business Portal (authenticatie vereist).
10.1
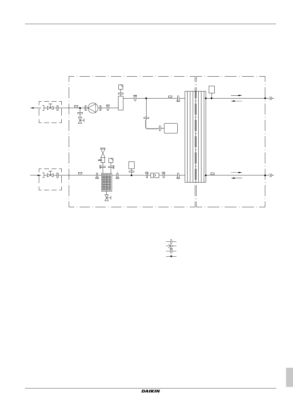
Schema van de leidingen:
Binnenunit
A
C
R2T
a2
e
C
R4T
a1
e
A
Waterzijde
B
Koelmiddelzijde
C
Ter plaatse geplaatst
a1
Water ruimteverwarming IN
a2
Water ruimteverwarming UIT
b1
Koelmiddel in gasfase IN (verwarmingsstand; condensator)
b2
Vloeibaar koelmiddel UIT (verwarmingsstand; condensator)
c1
Vloeibaar koelmiddel IN (koelstand; verdamper)
c2
Koelmiddel in gasfase UIT (koelstand; verdamper)
d
Platenwarmtewisselaar
e
Afsluiter voor onderhoud
f
Magnetische filter/vuilafscheider
g
Veiligheidsklep
h
Ontluchting
i
Aftapkraan
j
Debietsensor
k
Expansievat
l
Back-upverwarming
m
Pomp
EHBH/X04+08EF
Daikin Altherma 3 R W
4P642727-1A – 2021.11
h
m
l
i
g
h
B1PW
f
i
10 Technische gegevens
B
B2PR
R1T
k
d
j
R3T
B1PW
Waterdruksensor ruimteverwarming
B2PR
Koelmiddeldruksensor
R1T
Thermistor (warmtewisselaar – water UIT)
R2T
Thermistor (back-upverwarming – water UIT)
R3T
Thermistor (vloeibaar koelmiddel)
R4T
Thermistor (warmtewisselaar – water IN)
Schroefaansluiting
Flareverbinding
Snelkoppeling
Hardgesoldeerde aansluiting
c2
b1
b2
c1
3D111541A
Installatiehandleiding
37
Inhoudsopgave
loading

Inhoudsopgave