Inloggen
Upload
Download
Inhoudsopgave
Inhoud
Voeg toe aan mijn lijst
Verwijder uit mijn lijst
Deel
URL van deze pagina:
HTML Link:
Markeer deze pagina
Toevoegen
Handleiding wordt automatisch toegevoegd aan "Mijn handleidingen"
Print deze pagina
×
Bladwijzer toegevoegd
×
Toegevoegd aan mijn handleidingen
Handleidingen
Merken
Nibe Handleidingen
Warmtepompen
SPLIT ACVM 270
Installatie- en onderhoudsinstructies
Nibe SPLIT ACVM 270 Installatie- En Onderhoudsinstructies pagina 68
Verberg thumbnails
1
2
Inhoud
3
4
5
6
7
8
9
10
11
12
13
14
15
16
17
18
19
20
21
22
23
24
25
26
27
28
29
30
31
32
33
34
35
36
37
38
39
40
41
42
43
44
45
46
47
48
49
50
51
52
53
54
55
56
57
58
59
60
61
62
63
64
65
66
67
68
69
70
71
72
73
74
75
76
77
78
79
80
81
82
83
84
85
86
87
88
89
90
91
92
pagina
van
92
Ga
/
92
Inhoud
Inhoudsopgave
Bladwijzers
Inhoudsopgave
Diversen
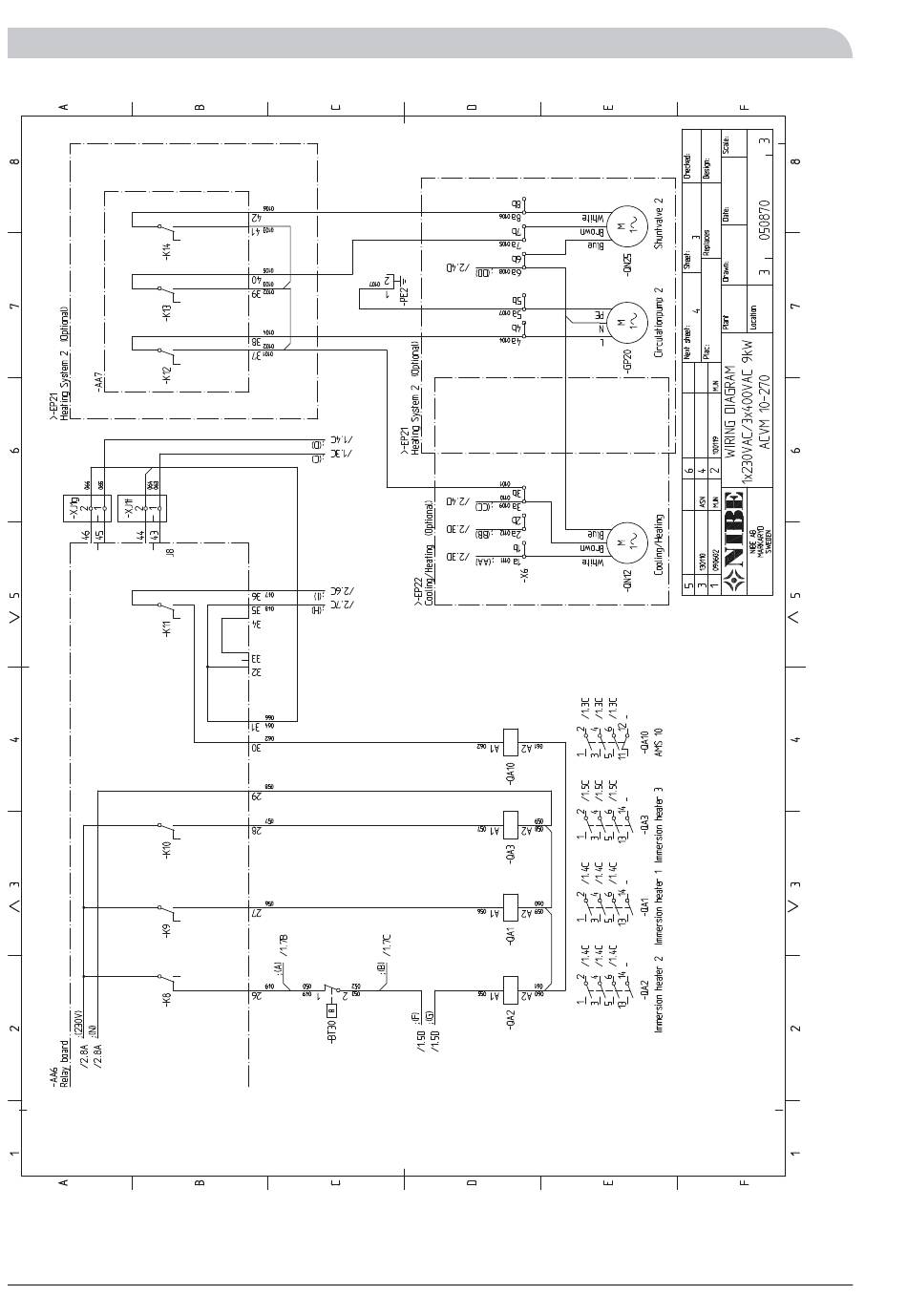
Elektrisch schema
66
NIBE™ SPLIT
Inhoud
sopgave
Vorige
Pagina
Volgende
Pagina
1
...
65
66
67
68
69
70
71
72
Inhoudsopgave
Gerelateerde Handleidingen voor Nibe SPLIT ACVM 270
Warmtepompen Nibe SPLIT AMS 10 Installatie- En Onderhoudsinstructies
(104 pagina's)
Warmtepompen Nibe AMS 20 Gebruikershandleiding
(12 pagina's)
Warmtepompen Nibe AMS 20 Gebruikershandleiding
(16 pagina's)
Warmtepompen Nibe AMS 20 Handleiding Voor Installateur
Lucht/water-warmtepomp (48 pagina's)
Warmtepompen Nibe SVM S332 Gebruikershandleiding
Splitsysteem (20 pagina's)
Warmtepompen Nibe AMS 10 Series Handleiding Voor Installateur
(64 pagina's)
Warmtepompen Nibe AMS 10 Series Gebruikershandleiding
(28 pagina's)
Warmtepompen Nibe SHK 200S Installatievoorschriften
(20 pagina's)
Warmtepompen Nibe AMS-06 Instructies
Aandachtspunten tijdens het ontwerp van uw installatie met lucht/water warmtepompen (5 pagina's)
Warmtepompen Nibe AMS 10-8 Gebruikershandleiding
(32 pagina's)
Warmtepompen Nibe SPLIT HBS 05 Handleiding Voor Installateur
(80 pagina's)
Warmtepompen Nibe SPLIT HBS 12 Installatie- En Onderhoudsinstructies
(108 pagina's)
Warmtepompen Nibe F1255PC Gebruikershandleiding
(84 pagina's)
Warmtepompen Nibe Savent Gebruikershandleiding
(37 pagina's)
Warmtepompen Nibe F470 Gebruikershandleiding
(88 pagina's)
Warmtepompen Nibe S2125 Handleiding Voor Installateur
(64 pagina's)
Gerelateerde Producten voor Nibe SPLIT ACVM 270
Nibe AMS 20
Nibe AMS 10 Series
Nibe AMS 10 6
Nibe AMS 10 8
Nibe AMS 10 12
Nibe AMS 10 16
Nibe AMS-6
Nibe AMS-8
Nibe AMS-12
Nibe AMS-16
Nibe AMS 10-8
Nibe AMS 10-12
Nibe AMS 10-16
Nibe AMS 10-6
Nibe SPLIT HBS 12
Nibe SPLIT HE 30
Deze handleiding is ook geschikt voor:
Split ams 10
Inhoudsopgave
Afdrukken
Hernoem de bladwijzer
Verwijder bladwijzer?
Verwijder uit mijn lijst?
Inloggen
Inloggen
OF
Inloggen met Facebook
Inloggen met Google
Handleiding uploaden
Uploaden vanaf harde schijf
Uploaden vanaf URL