Download Inhoudsopgave Inhoud Print deze pagina

Onderhoud Van Het Differentieel En De Assen; Controleren Van De Rubberhoezen Van De Homokinetische Koppelingen - Toro Workman Hdx Gebruikershandleiding

Verberg thumbnails Zie ook voor Workman HDX:
Inhoudsopgave
Onderhoud van het
differentieel en de assen
Differentieelolie verversen
Type olie: 80W90 API GL-5
Hoeveelheid olie: 550 ml
1.
Plaats een opvangbak onder de aftapplug
(Figuur
65).
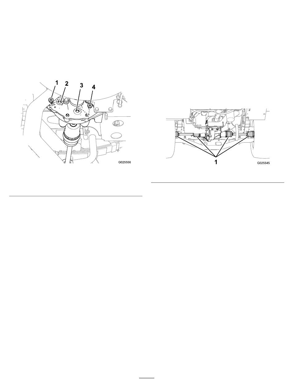
Figuur 65
1. Vulplug
2. Vulpoort
2.
Verwijder de vulplug uit de vulpoort en de
aftapplug uit de aftappoort van het differentieel
(Figuur
65).
Opmerking:
Laat het differentieel volledig
leeglopen.
3.
Controleer de conditie van de O-ringen bij de
pluggen.
Opmerking:
Vervang versleten of beschadigde
O-ringen.
4.
Plaats de aftapplug in de aftappoort
en draai de plug vast met 14 tot 19 N·m.
Opmerking:
De aftapplug is magnetisch. Het
is normaal als u kleine metalen deeltjes rond de
magneet ziet. Na de inloopperiode kunt u meer
deeltjes rond de magneet verwachten.
5.
Vul 550 ml van de gespecificeerde olie bij in de
vulpoort van het differentieel
Opmerking:
Gebruik een trechter met een
flexibele slang om het differentieel bij te vullen
met olie.
6.
Plaats de vulplug in de vulpoort
draai de plug vast met 14 tot 19 N·m.
g025556
3. Aftappoort
4. Aftapplug
(Figuur
65)
(Figuur
65).
(Figuur
65) en
Controleren van de rubberhoezen
van de homokinetische
koppelingen
Onderhoudsinterval: Om de 100 bedrijfsuren
1.
Krik de achterkant van de machine op en plaats
deze op assteunen; zie
(bladz.
38).
2.
Controleer de rubberhoezen van de
homokinetische koppelingen op de achteras op
schade en lekkend smeermiddel
Opmerking:
lekkende rubberhoezen van de homokinetische
koppelingen voordat u de machine gebruikt.
3.
Haal de assteunen weg en laat de machine neer
op de grond.
54
De machine opkrikken
(Figuur
Vervang alle beschadigde of
Figuur 66
66).
g025545
Inhoudsopgave
loading

Deze handleiding is ook geschikt voor:

0739007390tc

Inhoudsopgave