Download Inhoudsopgave Inhoud Print deze pagina

Aansluitingen - Teac Nr-7Cd Gebruikershandleiding

Inhoudsopgave
Beschikbare talen

Beschikbare talen

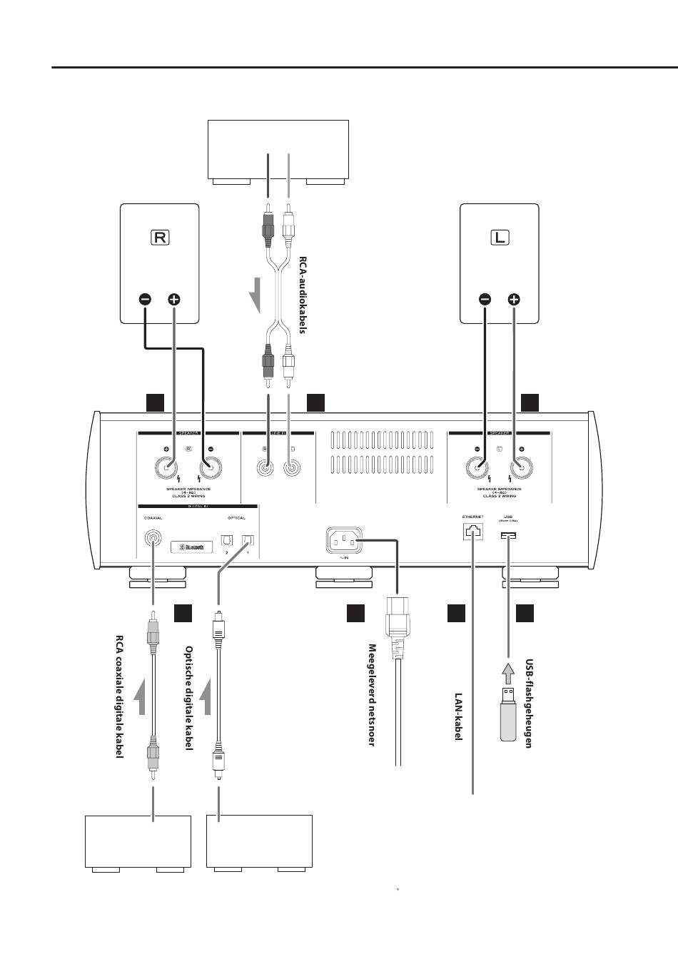
Aansluitingen

Weergaveapparaat analoog
audio
Audiouitgang
(LINE OUT etc.)
R
L
Rechter
Linker
luidspreker
luidspreker
A
B
A
C
D
E
F
c
Stopcontact
DIGITAL OUT
DIGITAL OUT
(COAXIAAL)
(OPTISCH)
Digitale audio-
Digitale audio-
weergaveapparaat
weergaveapparaat
66
Inhoudsopgave
loading

Inhoudsopgave