Download Inhoudsopgave Inhoud Print deze pagina

Aanbevolen Werkwijzen Voor Installatie Buitenshuis - Bosch Mic Inteox 7100I Installatiehandleiding

Verberg thumbnails Zie ook voor MIC inteox 7100i:
Inhoudsopgave
48
nl | Aanbevolen werkwijzen voor installatie buitenshuis
18

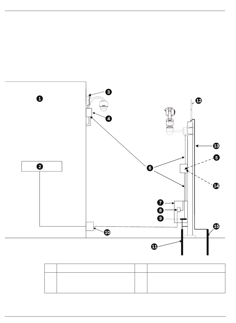
Aanbevolen werkwijzen voor installatie buitenshuis

Camera's die buiten zijn geïnstalleerd, zijn gevoelig voor spanningspieken en blikseminslag.
Neem altijd voorzieningen voor beveiliging tegen stroompieken en bliksem op in de installatie
van camera's buitenshuis.
Onderstaand ziet u een afbeelding van de juiste configuratie voor de installatie van IP PTZ-
camera's (AUTODOME en MIC) buitenshuis met beveiliging tegen spanningspieken en
blikseminslag. Houd er rekening mee dat de afbeelding niet representatief is voor alle
modellen van de AUTODOME- en MIC-camera's.
De afbeelding kan betrekking hebben op elke willekeurige IP-camera. De bevestigingshardware
verschilt per eenheid.
Afbeelding 18.1: Juiste installatie buitenshuis met juiste beveiliging tegen spanningspieken/bliksem
2021-05 | 1.3 |
1 Hoofdgebouw binnen
3 Verbind de aarde van de voeding van
de camera met de aardaansluiting van
het gebouw.
2 Netwerkapparatuur
4 Piekbescherming
Installatiehandleiding
MIC inteox 7100i
Bosch Security Systems
Inhoudsopgave
loading

Inhoudsopgave