Download Inhoudsopgave Inhoud Print deze pagina

Intelligente Luchtspuitpistoolconstructie Op Waterbasis - Graco Pro Xp 60 Wb Instructie

Verberg thumbnails Zie ook voor Pro Xp 60 WB:
Inhoudsopgave
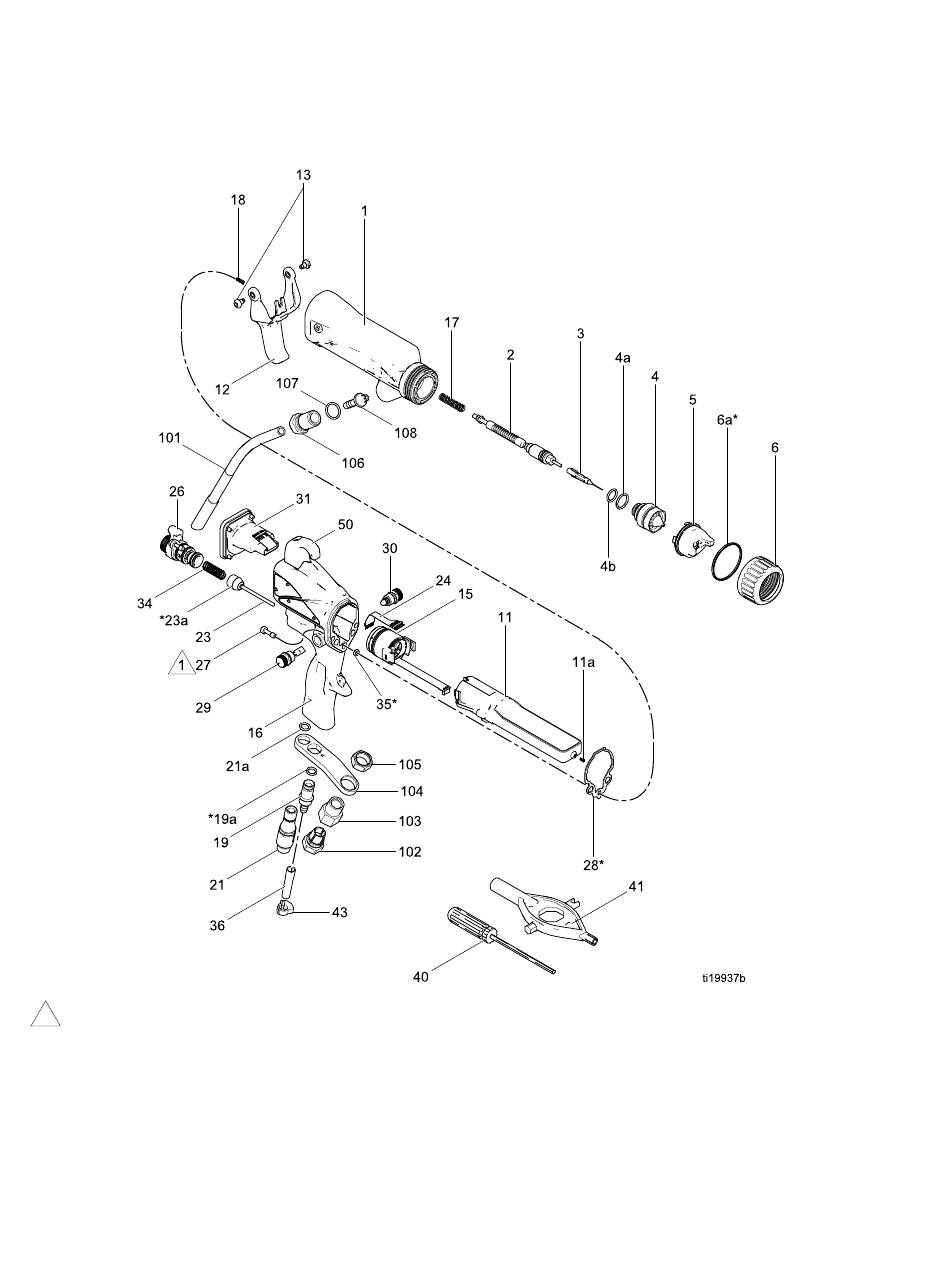
Onderdelen
Intelligente luchtspuitpistoolconstructie
luchtspuitpistoolconstructie op
Intelligente
Intelligente
luchtspuitpistoolconstructie
Onderdeelnr.
Onderdeelnr. L60M18
Onderdeelnr.
L60M18 Elektrostatisch
L60M18
Elektrostatisch 60
Bevat onderdelen 1-50.
1
Aandraaien met 2 Nm (20 in-lb).
74
Elektrostatisch
60 kV-luchtspuitpistool
60
kV-luchtspuitpistool op
kV-luchtspuitpistool
op waterbasis
waterbasis
op
waterbasis
op waterbasis,
op
waterbasis, serie
waterbasis,
serie D D D
serie
3A8675A
Inhoudsopgave
loading

Inhoudsopgave