Download Inhoudsopgave Inhoud Print deze pagina

Elektrische Installatie En Stuurkabels - Danfoss Adap-Kool Bedieningshandleiding

Verberg thumbnails Zie ook voor ADAP-KOOL:
Inhoudsopgave
®
ADAP-KOOL
Drive Bedieningshandleiding

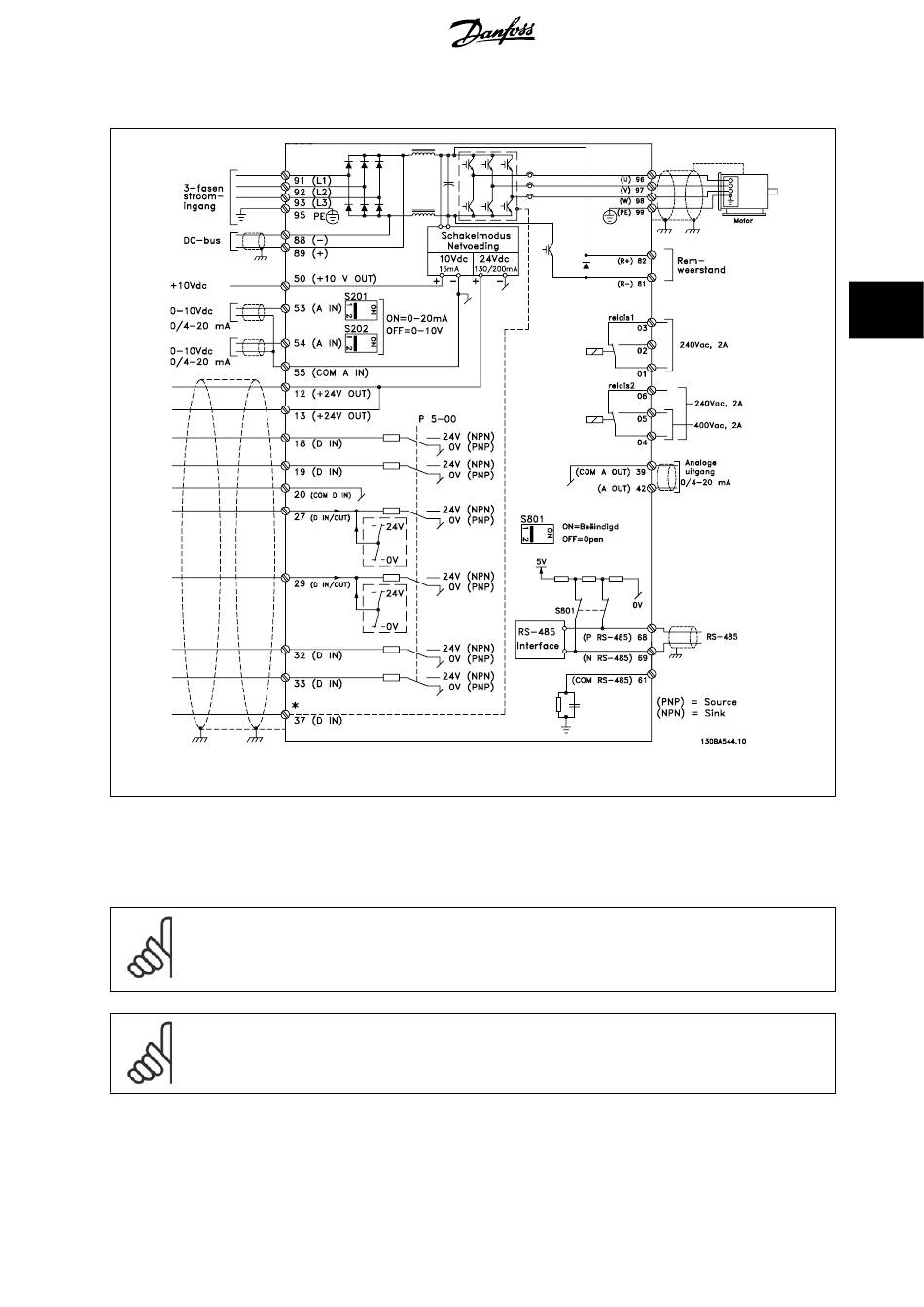
4.1.19 Elektrische installatie en stuurkabels

Afbeelding 4.28: Schema met alle elektrische klemmen. (Klem 37 is enkel aanwezig bij eenheden met de functie Veilige stop.)
Bij zeer lange stuurkabels en analoge signalen kunnen, in uitzonderlijke gevallen en afhankelijk van de installatie, aardlussen van 50/60 Hz voorkomen
als gevolg van ruis via de netvoedingskabels.
In dat geval dient u de afscherming te doorbreken of een condensator van 100 nF te plaatsen tussen de afscherming en het chassis.
NB!
Sluit de massa van de digitale en analoge in- en uitgangen afzonderlijk aan op de gemeenschappelijke klemmen 20, 39 en 55. Hiermee
wordt interferentie via aarde tussen groepen voorkomen. Dit voorkomt bijvoorbeeld dat het schakelen aan digitale ingangen analoge
ingangssignalen verstoort.
NB!
Stuurkabels moeten zijn afgeschermd/gewapend..
MG.11.L2.10 – ADAP-KOOL
®
Drive
4 Elektrische installatie
4
39
Inhoudsopgave
loading

Inhoudsopgave