Download Inhoudsopgave Inhoud Print deze pagina

Nodige Aansluitingen Om Satelliet- Of Kabeltelevisie Te Kijken - Sony Str-Da3700Es Gebruiksaanwijzing

Inhoudsopgave

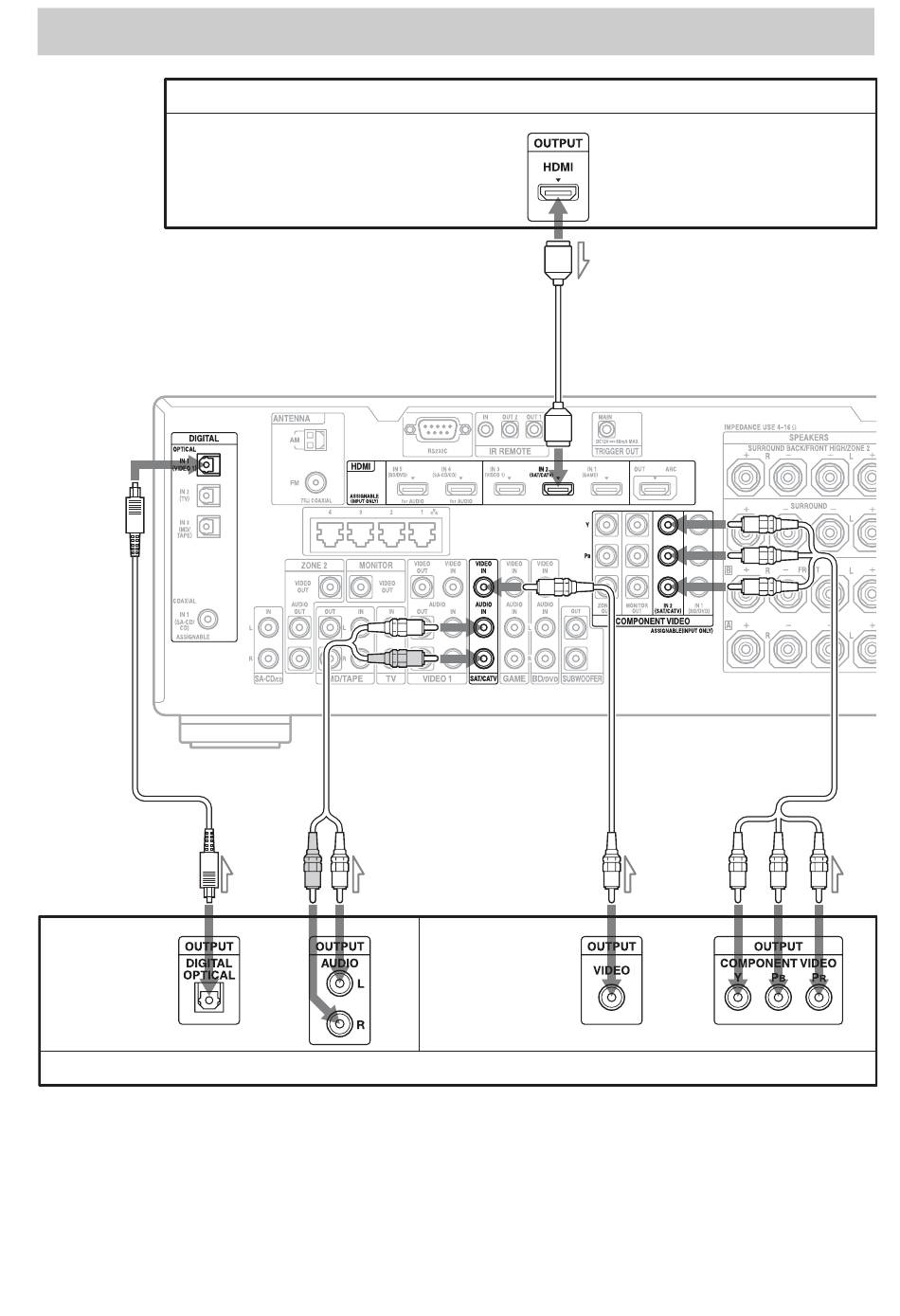
Nodige aansluitingen om satelliet- of kabeltelevisie te kijken

Satellietontvanger, decoder met HDMI-aansluiting
Video-/audiosignalen
A
*
B
C
D
E
Audiosignalen
Videosignalen
of
of
Satellietontvanger, decoder zonder HDMI-aansluiting
Niet alle kabels moeten worden aangesloten. Sluit kabels aan volgens de aansluitingen van uw
apparatuur.
* Als u een apparaat aansluit dat is uitgerust met een optisch digitale aansluiting, moet u "Audio Input Assign"
instellen in het Input Settings-menu (zie blz. 76).
32
NL
Inhoudsopgave
loading

Inhoudsopgave