Download Inhoudsopgave Inhoud Print deze pagina

Daikin Altherma 3 R ECH2O Montagehandleiding pagina 9

Verberg thumbnails Zie ook voor Altherma 3 R ECH2O:
Inhoudsopgave
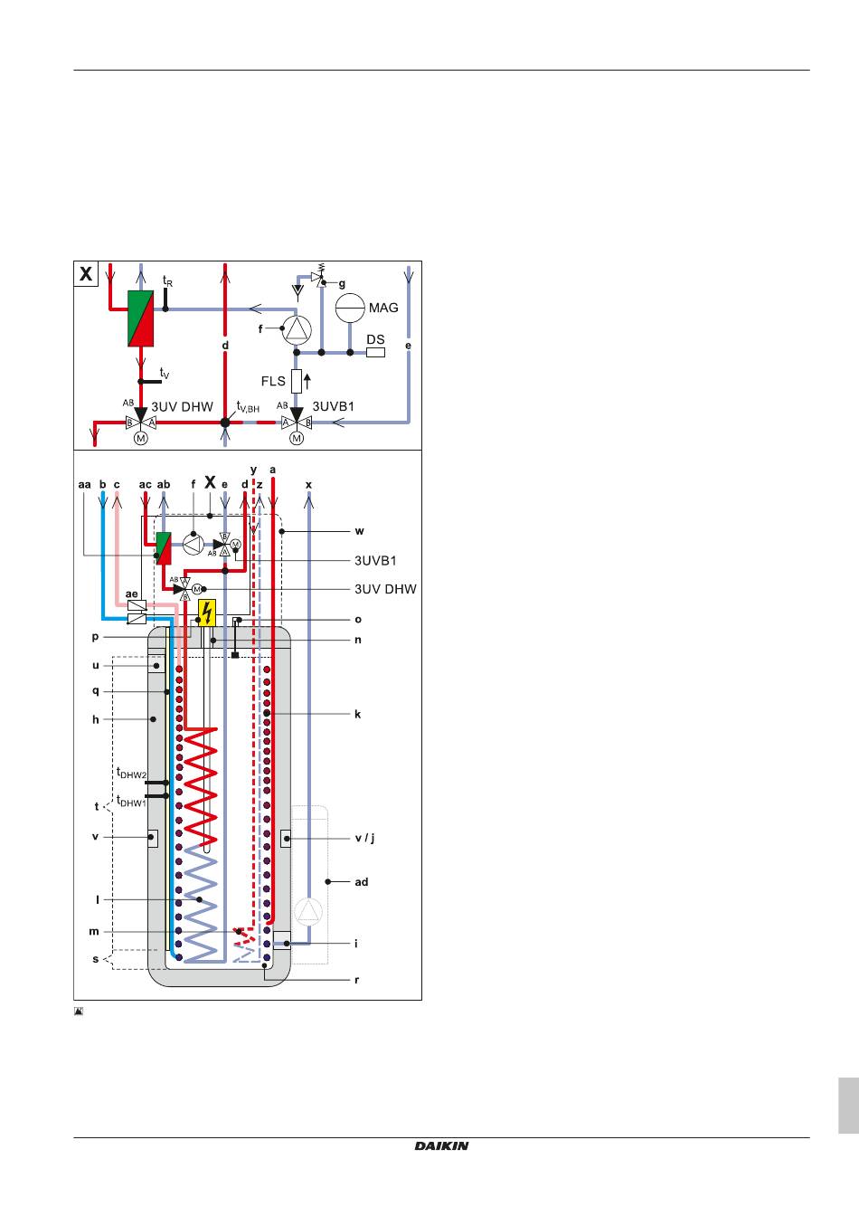
n
Kogelkraan (verwarmingscircuit)
o
KFE-kraan (verwarmingscircuit)
p
Boilertemperatuursensor
q
Aansluiting membraanexpansievat
r
Regelingsbehuizing
s, t
Handbediende ontluchtingskleppen
3UVB1
3-weg omschakelklep (intern warmteopwekkingscircuit)
3UV DHW
3-weg omschakelklep (warm water/verwarmen)
DS
Druksensor
FLS
Flowsensor
t
Retourtemperatuursensor
R
t
Aanvoertemperatuursensor Back-upheater
V, BH
Inwendige opbouw ...04P30D.../...08P30D...
 
2‒3 Opbouw
en
opbouw ...04P30D.../...08P30D... (Biv)
a
Aanvoer zonnesysteem
b
Koudwateraansluiting
c
Warm water
d
Verwarming aanvoer
e
Verwarming retour
f
Circulatiepomp
g
Overdrukklep
Daikin Altherma EHS(X/H)(B)-D
Daikin Altherma 3 R ECH₂O
008.1451099_00 – 07/2020
onderdelen
inwendige
2 Productbeschrijving
h
Boiler (dubbelwandig omhulsel van polypropyleen met
PUR-hardschuim warmte-isolatie)
i
Vul- en leegaansluiting of zonnesysteem –
retouraansluiting
j
Opname voor zonnesysteem regeling of handgreep
k
Warmtewisselaar (rvs) voor verwarming drinkwater
l
Warmtewisselaar (rvs) voor het opladen van de opslag of
verwarmingsondersteuning
m
Biv-warmtewisselaar (roestvast staal) voor het opladen
van de opslag met ext. warmtebron (bijv. druk-zonne-
energie)
n
Aansluiting voor een optionele elektrische back-upheater
EKBUxx
o
Vulpeilweergave (opslagwater)
p
Optioneel: Elektrische back-upheater (EKBUxx)
q
Sensordompelhuls voor boilertemperatuursensor t
t
DHW2
r
Drukloos opslagwater
s
Zonnesysteemgedeelte
t
Warmwatergedeelte
u
Aansluiting veiligheidsoverloop
v
Opname voor handgreep
w
Afdekkap
x
Retour zonnesysteem
y
Biv-aanvoer
z
Biv-retour
aa
Platenwarmtewisselaar
ab
Aansluiting koudemiddel vloeistofleiding
ac
Aansluiting koudemiddel gasleiding
ad
Optioneel: zonnesysteem regelings- en pompeenheid
ae
Circulatierem (toebehoren)
3UVB1
3-weg omschakelklep (intern warmteopwekkingscircuit)
3UV DHW
3-weg omschakelklep (warm water/verwarmen)
DS
Druksensor
FLS
Flowsensor
MAG
Membraanexpansievat (van klant)
t
, t
Boilertemperatuursensor
DHW1
DHW2
t
Retourtemperatuursensor
R
t
Aanvoertemperatuursensor Back-upheater
V, BH
Montagehandleiding en gebruiksaanwijzing
en
DHW1
9
Inhoudsopgave
loading

Inhoudsopgave