Download Inhoudsopgave Inhoud Print deze pagina

Daikin Altherma 3 R W EBBH11D Uitgebreide Handleiding Voor De Installateur pagina 46

Inhoudsopgave
6
|
Richtlijnen met betrekking tot mogelijke toepassingen
Uitgebreide handleiding voor de installateur
46
f
2
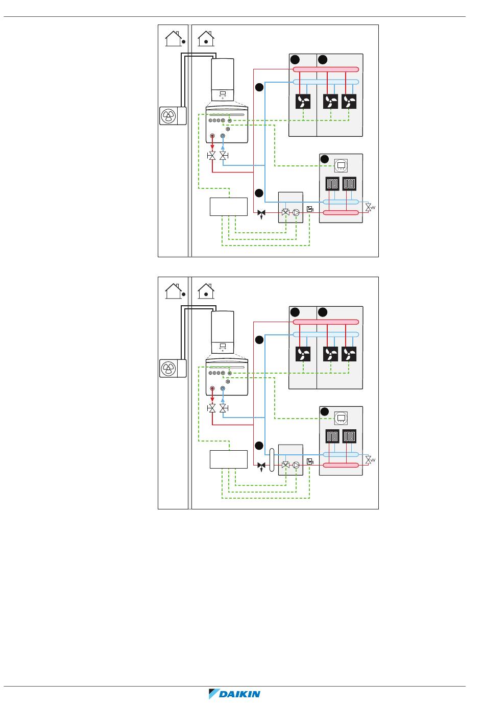
Systeem met hydraulische afscheider voor primaire zone:
f
3
Systeem met hydraulische afscheider voor beide zones:
Voor dit systeem is een directe pomp nodig voor de secundaire zone.
B
C
A
a
a
E
c
D
e
d
B
C
A
a
a
E
c
D
e
h
d
b
g
b
g
ERLA11~16D + EBBH/X11+16D
Daikin Altherma 3 R W
4P643603-1C – 2022.09
Inhoudsopgave
loading

Inhoudsopgave