Download Inhoudsopgave Inhoud Print deze pagina

Vaillant calorMATIC 470 Installatiehandleiding pagina 51

Verberg thumbnails Zie ook voor calorMATIC 470:
Inhoudsopgave
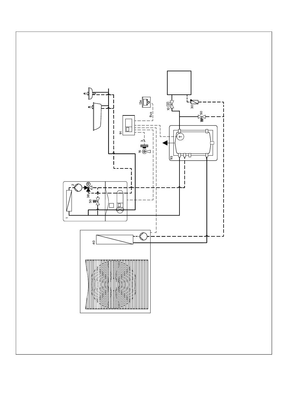
Variant E
Een CV-circuit
Extra CV-ketel via klem ZH of een VR 32 aan de eBUS
aangesloten
0020116707_02 calorMATIC 470 Installatiehandleiding
Systeemschema's 12
Bij eBUS CV-ketel; schakelaarstand bij VR 32 op positie 2
Geen combinatie met VR 68 mogelijk
51
Inhoudsopgave
loading

Deze handleiding is ook geschikt voor:

Vrc 470

Inhoudsopgave