Inloggen
Upload
Download
Inhoudsopgave
Inhoud
Voeg toe aan mijn lijst
Verwijder uit mijn lijst
Deel
URL van deze pagina:
HTML Link:
Markeer deze pagina
Toevoegen
Handleiding wordt automatisch toegevoegd aan "Mijn handleidingen"
Print deze pagina
×
Bladwijzer toegevoegd
×
Toegevoegd aan mijn handleidingen
Handleidingen
Merken
Toro Handleidingen
Grasmaaiers
Reelmaster 6500-D
Gebruikershandleiding
Toro Reelmaster 6500-D Gebruikershandleiding pagina 64
Tractie-eenheid
Verberg thumbnails
Zie ook voor Reelmaster 6500-D
:
Gebruikershandleiding
(52 pagina's)
,
Gebruikershandleiding
(48 pagina's)
1
2
Inhoud
3
4
5
6
7
8
9
10
11
12
13
14
15
16
17
18
19
20
21
22
23
24
25
26
27
28
29
30
31
32
33
34
35
36
37
38
39
40
41
42
43
44
45
46
47
48
49
50
51
52
53
54
55
56
57
58
59
60
61
62
63
64
65
66
67
68
pagina
van
68
Ga
/
68
Inhoud
Inhoudsopgave
Bladwijzers
Inhoudsopgave
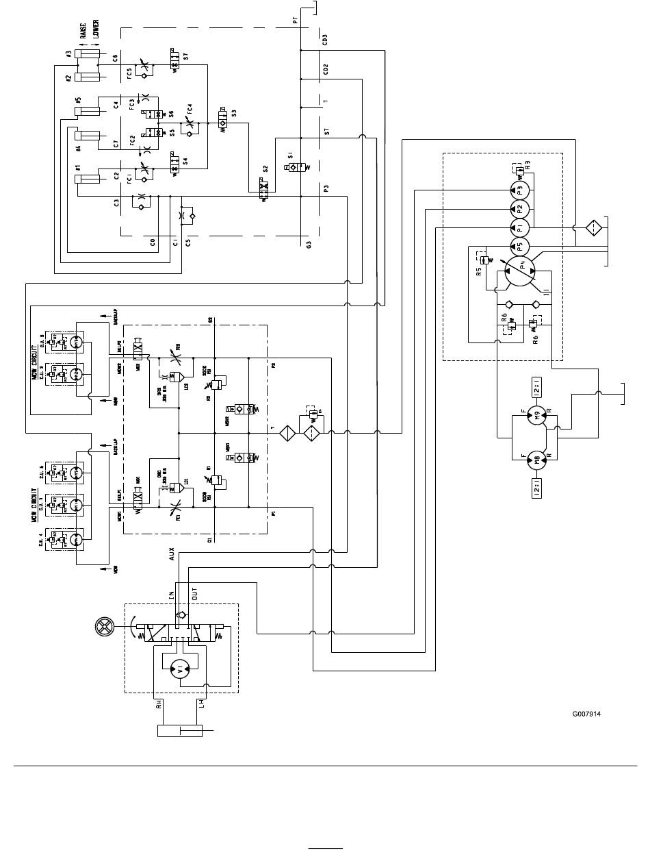
Hydraulisch schema, Model 03806 (Rev. -)
64
Inhoud
sopgave
Vorige
Pagina
Volgende
Pagina
1
...
61
62
63
64
65
66
67
68
Inhoudsopgave
Gerelateerde Handleidingen voor Toro Reelmaster 6500-D
Grasmaaiers Toro Reelmaster 6500-D Gebruikershandleiding
(52 pagina's)
Grasmaaiers Toro REELMASTER 6500-D Gebruikershandleiding
(48 pagina's)
Grasmaaiers Toro Z Master Z500 Gebruikershandleiding
Met 122 cm turbo force maaidek met zijafvoer (60 pagina's)
Grasmaaiers Toro Reelmaster 2000 Gebruikershandleiding
(56 pagina's)
Grasmaaiers Toro 30032 Gebruikershandleiding
Zwevend maaidek, versnelling met t-bar, hydro met 91 cm turbo force maaidek (56 pagina's)
Grasmaaiers Toro Reelmaster 6700-D Gebruikershandleiding
(52 pagina's)
Trekkers Toro REELMASTER 6700-D Gebruikershandleiding
(44 pagina's)
Grasmaaiers Toro 03802 Gebruikershandleiding
(44 pagina's)
Grasmaaiers Toro Reelmaster 6500 Gebruikershandleiding
Dpa-maaidekken met 8 en 11 messen en 18 cm messenkooien (24 pagina's)
Grasmaaiers Toro Reelmaster 6500 Gebruikershandleiding
(16 pagina's)
Grasmaaiers Toro ProCore 648 Gebruikershandleiding
(52 pagina's)
Grasmaaiers Toro Reelmaster 5000 Series Gebruikershandleiding
(24 pagina's)
Grasmaaiers Toro REELMASTER 6000 Series Gebruikershandleiding
Maai-eenheden met 5, 7 & 11 messen (24 pagina's)
Grasmaaiers Toro Guardian Recycler 30384 Gebruikershandleiding
Voor groundsmaster 3000 serie (24 pagina's)
Grasmaaiers Toro GUARDIAN 62 RECYCLER Gebruikershandleiding
(20 pagina's)
Grasmaaiers Toro Reelmaster 6000-D Gebruikershandleiding
(28 pagina's)
Gerelateerde Producten voor Toro Reelmaster 6500-D
Toro Reelmaster 6500
Toro Reelmaster 6700
Toro ProCore 648
Toro Reelmaster 6000 Series
Toro 60001
Toro GUARDIAN 62 RECYCLER
Toro Reelmaster 6000-D
Toro Flex-Force Power System 60V MAX
Toro 60 V Super Recycler
Toro 66005
Toro Reelmaster 3100-D Edge Series
Toro Reelmaster 2000
Toro Reelmaster 2000 Series
Toro Reelmaster 3000 Series
Toro Reelmaster 6500 Series
Toro Reelmaster 6700 Series
Deze handleiding is ook geschikt voor:
Reelmaster 6700-d
03806
03807
03808
03812
03813
...
Toon alles
290000001
Inhoudsopgave
Afdrukken
Hernoem de bladwijzer
Verwijder bladwijzer?
Verwijder uit mijn lijst?
Inloggen
Inloggen
OF
Inloggen met Facebook
Inloggen met Google
Handleiding uploaden
Uploaden vanaf harde schijf
Uploaden vanaf URL