Download Inhoudsopgave Inhoud Print deze pagina

Warmtepomp (Draaistroom) Met Geïntegreerde Elektrische Bijverwarming (Draaistroom) - Bosch Compress 6000 Awe Installatiehandleiding

Verberg thumbnails Zie ook voor Compress 6000 AWE:
Inhoudsopgave
Technische gegevens
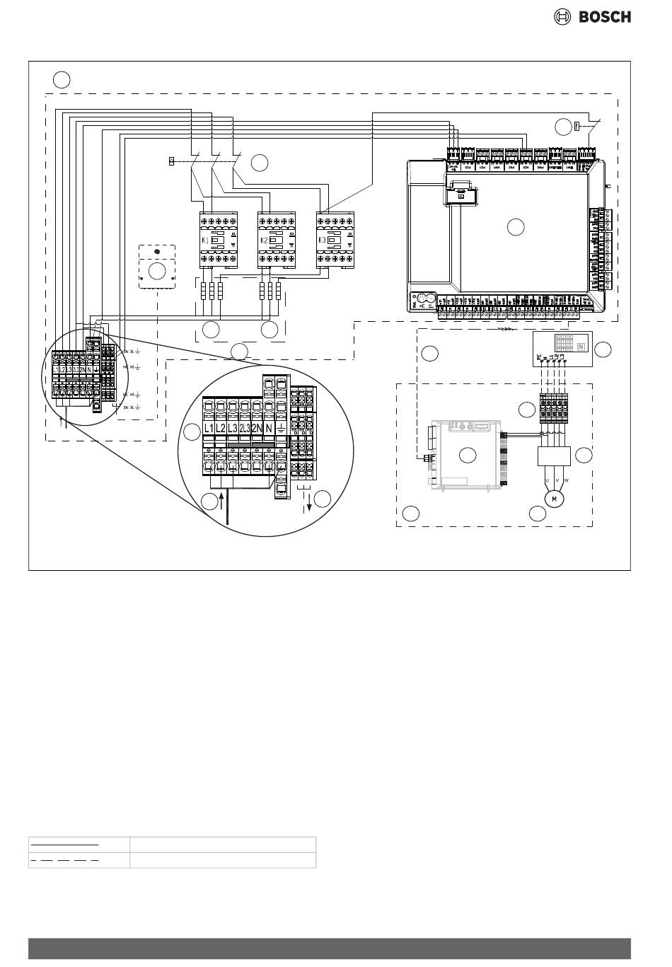
10.3.3 Warmtepomp (draaistroom) met geïntegreerde elektrische bijverwarming (draaistroom)
1
6
400V
Afb. 34 Warmtepomp (draaistroom) met geïntegreerde elektrische bijverwarming (draaistroom)
[1]
Binneneenheid
[2]
Warmtepomp
[3]
Drukcontrole
[4]
Oververhittingsbeveiliging (UHS)
[5]
Installatiemodule van de binneneenheid
[6]
Toebehoren
[7]
CAN-BUS
[8]
Hoofdverdeler
[9]
Stroomvoorziening warmtepomp
[10] I/O-module
[11] Inverter
[12] Verwarmingselement 3 x 1 kW (3 x 53 )
[13] Verwarmingselement 3 x 2 kW (3 x 27 )
[14] Elektrische bijverwarming
[15] Compressor
[16] Aansluitklemmen
[17] Netspanning 400 V ~3N
[18] Stroomvoorziening toebehoren
Fabrieksaansluiting
Aansluiting bij installatie/toebehoren
32
4
13
12
14
16
17
400V
7
18
2
3
5
9
10
15
0010020050-002
Compress 6000 AWE – 6721817869 (2023/03)
8
11
Inhoudsopgave
loading

Deze handleiding is ook geschikt voor:

Awe 5-9Awe 13-17

Inhoudsopgave