Download Inhoudsopgave Inhoud Print deze pagina

Leidingenoverzicht, Modellen 24F080-24F087 En 24Z013-24Z016 Voor Metersystemen - Graco Promix 2Ke Bediening, Onderdelen, Reparatie

Meercomponentendoseerapparaat
Verberg thumbnails Zie ook voor ProMix 2KE:
Inhoudsopgave
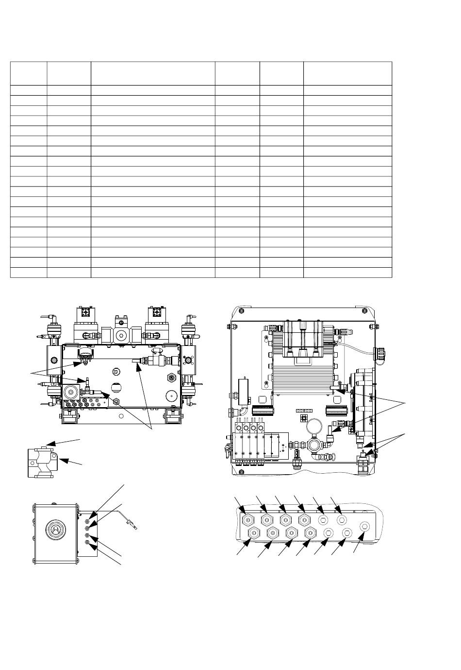
Leidingenoverzicht, modellen 24F080-24F087 en 24Z013-24Z016
voor metersystemen
Type
Kleur
Beschrijving
Lucht
Groen
Lucht
Groen
Lucht
Groen
Lucht
Groen
Lucht
Groen
Lucht
Groen
Lucht
Rood
Lucht
Rood
Lucht
Rood
Lucht
Rood
Lucht
Rood
Lucht
Rood
Lucht
-----
Lucht
Natuurlijk
Lucht
Natuurlijk
Vloeistof
-----
Ventieleenheid A naar meter A
Vloeistof
-----
Ventieleenheid B naar meter B
Lucht
Zwart
Lucht
Natuurlijk
*
Alleen gebruikt bij intrinsiek veilige modellen.
A1
GFB1-S
ATOM-1
ti13861a
3A1685T
Oplosmiddelventiel A Aan
Doseerventiel A1 Aan
Oplosmiddelventiel B Aan
Doseerventiel B Aan
Doseerventiel A2 Aan
Doseerventiel A3 Aan
Oplosmiddelventiel A Uit
Doseerventiel A1 Uit
Oplosmiddelventiel B Uit
Doseerventiel B Uit
Doseerventiel A2 Uit
Doseerventiel A3 Uit
Hoofdlucht naar drukmeter
Magneetventiel lucht
Hoofdlucht naar filter
Luchtuitlaat alternator*
Luchtregelaar naar alternator*
A3
ti16773a
GFB1-P
(persluchtleiding)
GFB1-A
GFB1-C
GFB1-S
ti13863a
Beginpunt Eindpunt
1G
1G
2G
2G
3G
3G
4G
4G
5G
5G
6G
6G
1R
1R
2R
2R
3R
3R
4R
4R
5R
5R
6R
6R
A1
A1
A2
A2
A3
A3
A4
A4
A5
A5
A6
A6
A7
A7
1R
2R
3R
4R
1G
2G
3G 4G
5G 6G
Buitendiameter buis
mm (inch)
4,0 (0,156)
4,0 (0,156)
4,0 (0,156)
4,0 (0,156)
4,0 (0,156)
4,0 (0,156)
4,0 (0,156)
4,0 (0,156)
4,0 (0,156)
4,0 (0,156)
4,0 (0,156)
4,0 (0,156)
4,0 (0,156)
6,3 (0,25)
6,3 (0,25)
9,5 (0,375)
9,5 (0,375)
12,7 (0,5)
9,5 (0,375)
ti16771a
5R 6R
ti16770a
GFB1-C
Onderdelen
*
Intrinsiek
veilige
modellen
A7*
A6*
51
Inhoudsopgave
loading

Inhoudsopgave