Download Inhoudsopgave Inhoud Print deze pagina

Wiring Diagram (Scrubtec 653Bl, Scrubtec 651Bcl, Scrubtec 661Bl) - Nilfisk Scrubtec 653B Gebruiksaanwijzing

Verberg thumbnails Zie ook voor SCRUBTEC 653B:
Inhoudsopgave
Beschikbare talen

Beschikbare talen

ENGLISH

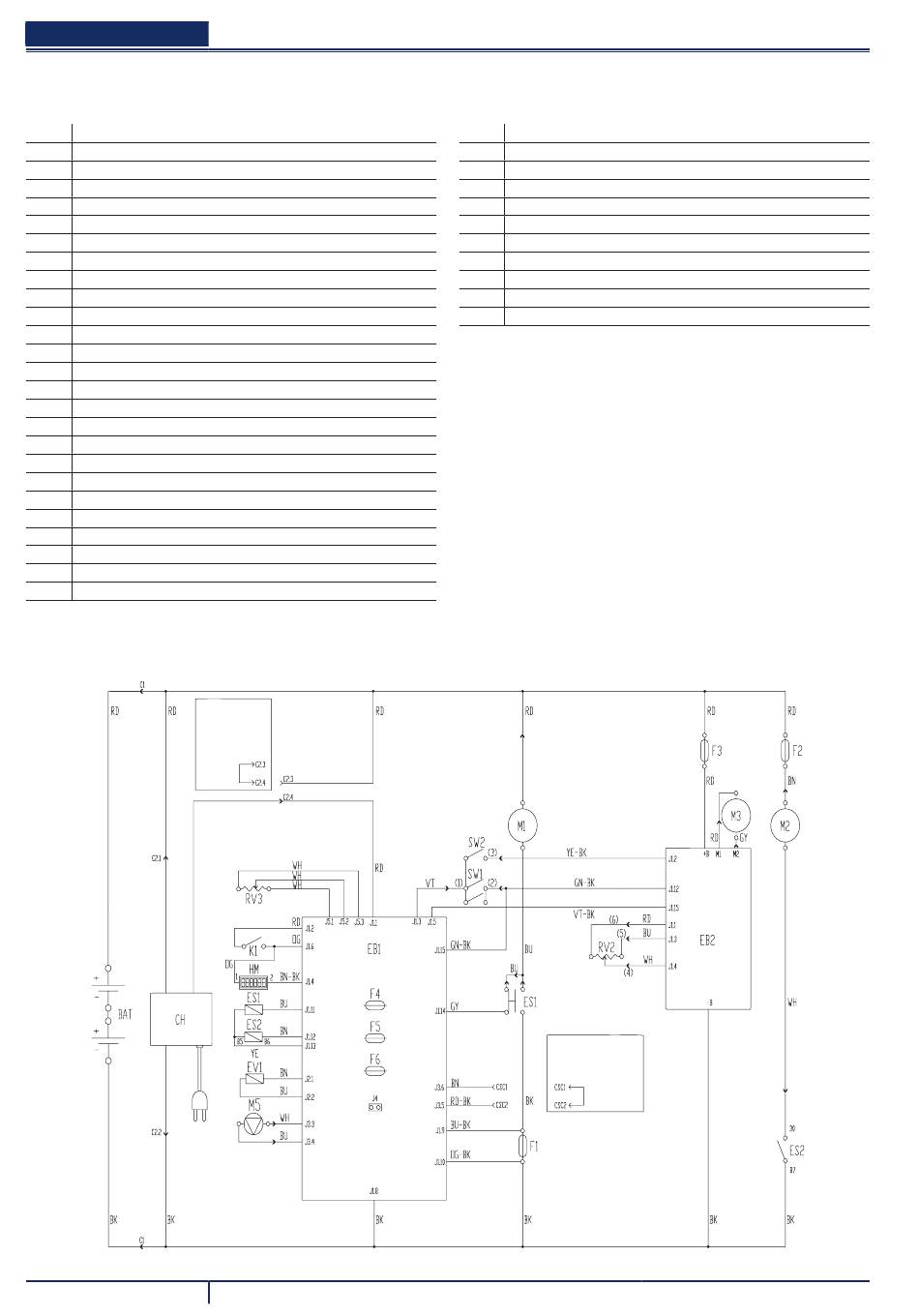
WIRING DIAGRAM (SCRUBTEC 653BL, SCRUBTEC 651BCL, SCRUBTEC 661BL)

Key
BAT
24 V battery
C1
Battery connector
C2
Battery charger connector
CH
Battery charger (optional)
CSC
Cylindrical brush deck sub-connector
EB1
Function electronic board
EB2
Drive system electronic board
ES1
Brush electromagnetic switches
ES2
Vacuum system relay
EV1
Detergent solenoid valve (optional)
F1
Deck fuse
F2
Vacuum system fuse
F3
Drive system fuse
F4
Signal circuit fuse
F5
Brush/pad-holder release fuse
F6
Pump fuse
HM
Hour counter (optional)
K1
Ignition key
M1
Brush/pad-holder motor
M2
Vacuum system motor
M3
Drive system motor
M5
Detergent pump (optional)
RV2
Maximum speed potentiometer
RV3
Detergent % potentiometer (optional)
SW1
Brush/drive system enabling switch
SW2
Reverse gear switch
(*)
Only for machines with cylindrical brush deck
(**) Only for machines without on-board battery charger
12
USER MANUAL
(**)
SCRUBTEC 653B – 653BL – 651BCL – 661BL
Colour codes
BK
Black
BU
Blue
BN
Brown
GN
Green
GY
Grey
OG
Orange
PK
Pink
RD
Red
VT
Violet
WH
White
YE
Yellow
(*)
P100128
9097058000(2)2009-10 A
Inhoudsopgave
loading

Inhoudsopgave