Download Inhoudsopgave Inhoud Print deze pagina

Ejemplo De Conexión De Sistema 2 - Pioneer Dex-P99Rs Installatiehandleiding

Verberg thumbnails Zie ook voor DEX-P99RS:
Inhoudsopgave
Beschikbare talen
  • NL

Beschikbare talen

  • DUTCH, pagina 72
Conexión de las unidades
Ejemplo de conexión de sistema 2
Nota:
La función Auto TA&EQ está diseñada para configurar automáticamente un sistema de altavoces de
múltiples vías (como en un sistema con tweeter, altavoz de rango medio, altavoz de graves y altavoz de
subgraves).
En el caso de ejecutar la función Auto TA&EQ con un sistema de altavoces de rango total como en este
ejemplo, siga el procedimiento a continuación.
1. Configure cada altavoz en el menú de configuración inicial.
2. Configure manualmente los valores de división de frecuencias en el menú de audio de acuerdo con el
altavoz de subgraves y los altavoces de rango completo conectados.
3. Inicie la función Auto TA&EQ y, a continuación, seleccione "Custom N/W" en el menú.
4. Concluya la función Auto TA&EQ.
8
All manuals and user guides at all-guides.com
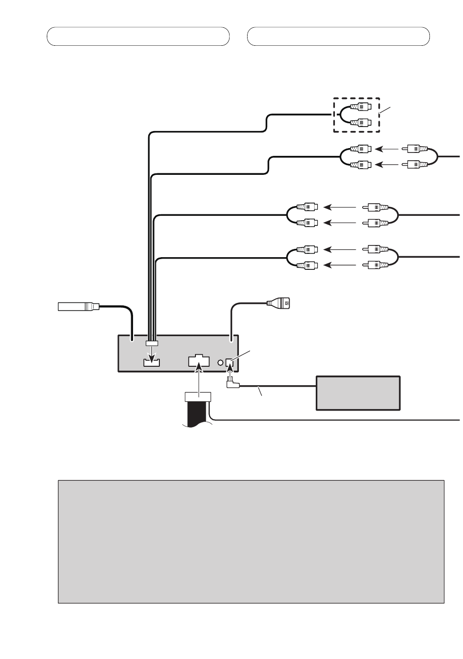
Salida de rango alto
(HIGH RANGE OUTPUT)
Salida de rango medio
(MID RANGE OUTPUT)
Salida de rango bajo
(LOW RANGE OUTPUT)
Salida de altavoz de subgraves
(SUBWOOFER OUTPUT)
Cable IP-BUS
15 cm
15 cm
23 cm
23 cm
Entrada IP-BUS (Azul)
Reproductor de
Multi-CD (vendido
separadamente)
Azul/blanco (SYSTEM REMOTE CONTROL)
Conecte al terminal de control de sistema del
amplificador de potencia o al terminal de control de
relé de antena automática (máx. 300 mA 12 V CC).
No se utiliza
Inhoudsopgave
loading

Inhoudsopgave