Inloggen
Upload
Download
Inhoudsopgave
Inhoud
Voeg toe aan mijn lijst
Verwijder uit mijn lijst
Deel
URL van deze pagina:
HTML Link:
Markeer deze pagina
Toevoegen
Handleiding wordt automatisch toegevoegd aan "Mijn handleidingen"
Print deze pagina
×
Bladwijzer toegevoegd
×
Toegevoegd aan mijn handleidingen
Handleidingen
Merken
Bosch Handleidingen
Warmtepompen
Compress 3400iAWS B
Installatiehandleiding
Systeem Met Een Geïntegreerde Elektrische Bijverwarming, Buffervat, Warmwater- En Cv-Circuit Met Of Zonder Mengventiel - Bosch Compress 3400I Aws Installatiehandleiding
Binneneenheid voor lucht-water-warmtepomp
Verberg thumbnails
Zie ook voor Compress 3400i AWS
:
Installatiehandleiding
(56 pagina's)
,
Installatie-instructie
(52 pagina's)
,
Bedieningshandleiding
(28 pagina's)
1
Inhoud
2
3
4
5
6
7
8
9
10
11
12
13
14
15
16
17
18
19
20
21
22
23
24
25
26
27
28
29
30
31
32
33
34
35
36
37
38
39
40
41
42
43
44
45
46
47
48
49
50
51
52
pagina
van
52
Ga
/
52
Inhoud
Inhoudsopgave
Bladwijzers
Inhoudsopgave
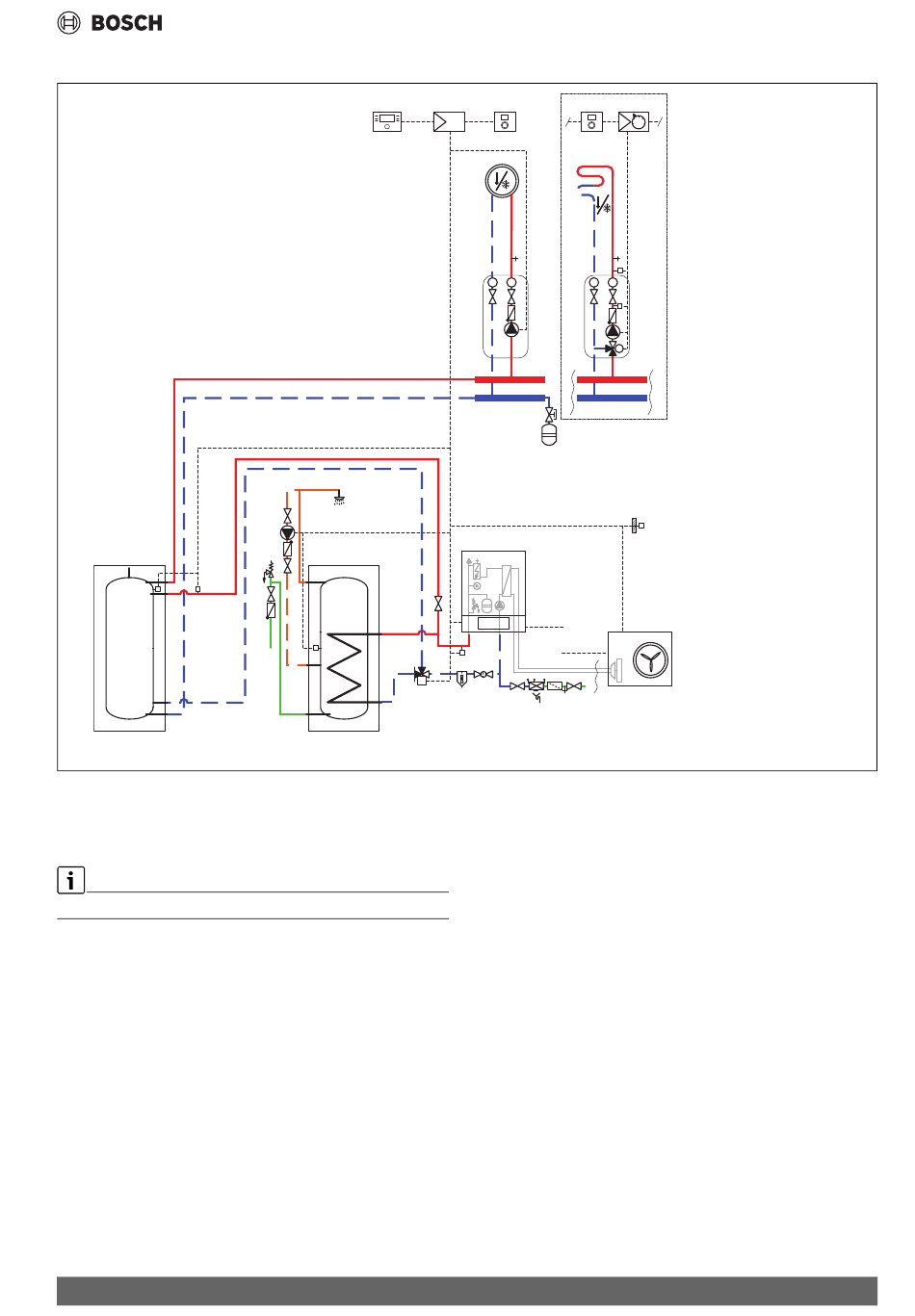
11.3.5 Systeem met een geïntegreerde elektrische bijverwarming, buffervat, warmwater- en cv-circuit met of zonder mengventiel
T0
MK2
buffer
Afb. 34 Buiteneenheid met binneneenheid, buffervat en één of meer cv-circuits
[1]In de binneneenheid geïnstalleerd
[4] Gemonteerd in het station of op de wand
[5] Gemonteerd op de wand
PC1 is in dit hydraulisch systeem nodig ( hoofdstuk 11.3.2).
Compress 3400i AWS – 6721827930 (2024/03)
HPC410
1
PW2
TW1
B
A
M
VW1
CW1
SEC 20
CR 10 H
CR 10 H
1
5
T
T
T
PC1
400 V AC
400 /230 V AC
MK2
AB
IDU AWS E
CS3400i AWS
Technische gegevens
MM 100
5
4
2
MC1
T
TC1
PC1
VC1
M
V
T1
6 720 878 477-01.1T
35
Inhoud
sopgave
Vorige
Pagina
Volgende
Pagina
1
...
32
33
34
35
36
37
38
39
Inhoudsopgave
Gerelateerde Handleidingen voor Bosch Compress 3400i AWS
Warmtepompen Bosch Compress 3400i AWS Installatiehandleiding
Binneneenheid voor lucht-water (56 pagina's)
Warmtepompen Bosch Compress 3400i AWS Installatie-Instructie
Binnenunit voor lucht-water-warmtepomp (52 pagina's)
Warmtepompen Bosch Compress 3400i AWS Installatie-Instructie
Binnenunit voor lucht-water-warmtepomp (48 pagina's)
Warmtepompen Bosch Compress 3400i AWS Installatie-Instructie
Binnenunit voor lucht-water-warmtepomp (48 pagina's)
Ketels Bosch Compress 3400i AWS Installatie-Instructie
(48 pagina's)
Warmtepompen Bosch Compress 3400i AWS Installatiehandleiding
Binneneenheid voor lucht-water (48 pagina's)
Warmtepompen Bosch Compress 3400i AWS Installatiehandleiding
Binneneenheid voor lucht-water-warmtepomp (48 pagina's)
Warmtepompen Bosch Compress 3400i AWS Installatiehandleiding
Binneneenheid voor lucht-water-warmtepomp (48 pagina's)
Warmtepompen Bosch Compress 3400i AWS Installatie-Instructie
(44 pagina's)
Warmtepompen Bosch Compress 3400iAWS B Bedieningshandleiding
(28 pagina's)
Warmtepompen Bosch Compress 3400iAWS E Series Bedieningshandleiding
(28 pagina's)
Warmtepompen Bosch Compress 3400iAWS B Gebruikersinstructie
(28 pagina's)
Warmtepompen Bosch Compress 3400iAWS M Gebruikersinstructie
(28 pagina's)
Warmtepompen Bosch Compress 3400i AWS Series Installatie-Instructie
Buitenunit lucht-waterwarmtepomp (28 pagina's)
Warmtepompen Bosch Compress 3400i AWS Series Installatie-Instructie
Buitenunit lucht-waterwarmtepomp (28 pagina's)
Warmtepompen Bosch Compress 3400i AWS Installatiehandleiding
Buiteneenheid lucht-water (28 pagina's)
Gerelateerde Inhoud Voor Bosch Compress 3400i AWS
Compress 3400i AWS Systeem Met Een Geïntegreerde Elektrische Bijverwarming, Buffervat, Warmwater- En Cv-Circuit Met Of Zonder Mengventiel
Bosch Compress 3400i AWS
Compress 3400i AWS Systeem Met Een Geïntegreerde Elektrische Bijverwarming, Buffervat, Warmwater- En Cv-Circuit Met Of Zonder Mengventiel
Bosch Compress 3400i AWS
Compress 3400i AWS Systeem Met Een Externe Bijverwarming, Buffervat, Warmwater- En Cv-Circuit Met Bypass En Met Of Zonder Mengventiel
Bosch Compress 3400i AWS
Compress 3400i AWS Systeem Met Een Externe Bijverwarming, Buffervat, Warmwater- En Cv-Circuit Met Bypass En Met Of Zonder Mengventiel
Bosch Compress 3400i AWS
Compress 3400i AWS CS3400iAWS 10 B Systeem Met Een Externe Bijverwarming, Buffervat, Warmwater- En Cv-Circuit Met Bypass En Met Of Zonder Mengventiel
Bosch Compress 3400i AWS CS3400iAWS 10 B
Compress 3400i AWS Systeem Met Een Geïntegreerde Elektrische Bijverwarming, Buffervat, Warmwater- En Cv-Groep Met Of Zonder Mengventiel
Bosch Compress 3400i AWS
Compress 3400i AWS Systeem Met Een Geïntegreerde Elektrische Bijverwarming, Buffervat, Warmwater- En Cv-Groep Met Of Zonder Mengventiel
Bosch Compress 3400i AWS
Compress 3400i AWS Systeem Met Een Geïntegreerde Elektrische Bijverwarming, Buffervat, Warmwater- En Cv-Groep Met Of Zonder Mengventiel
Bosch Compress 3400i AWS
Compress 3400i AWS Systeem Met Een Geïntegreerde Elektrische Bijverwarming, Buffervat, Warmwater- En Cv-Groep Met Of Zonder Mengventiel
Bosch Compress 3400i AWS
Compress 3400i AWS Systeem Met Een Externe Bijverwarming, Buffervat, Warmwater- En Cv-Groep Met Bypass En Met Of Zonder Mengventiel
Bosch Compress 3400i AWS
Compress 5000 DW CS5001DW 200 Systeemhydrauliek Met Buffervat Of Cv-Toestel En Pv-Systeem
Bosch Compress 5000 DW CS5001DW 200
CompressHybrid 5000 AWS Cv-Toestel Met Een In Serie Geschakeld Buffervat En Cv-Groep
Bosch CompressHybrid 5000 AWS
Compress 6000 AWE 5-9 Warmtepomp Met By-Pass, Binneneenheid Met Elektrische Bijverwarming En Boiler
Bosch Compress 6000 AWE 5-9
Compress 3000 AWMS 2-6 12.2.2 Cv-Installatie Met Een Ongemengd En Een Gemengd Cv-Circuit
Bosch Compress 3000 AWMS 2-6
EnviLine W IDU Monoblock E 5-9 E Warmtepomp Met Binnenunit, Met Elektrische Bijverwarming En Boiler
Bosch EnviLine W IDU Monoblock E 5-9 E
Compress 5800i AW 10.2.3 Warmtepomp Met Twee Cv-Circuits, Binneneenheid, Buffervat En Boiler
Bosch Compress 5800i AW
Deze handleiding is ook geschikt voor:
Cs3400iaws 10 e
Inhoudsopgave
Afdrukken
Hernoem de bladwijzer
Verwijder bladwijzer?
Verwijder uit mijn lijst?
Inloggen
Inloggen
OF
Inloggen met Facebook
Inloggen met Google
Handleiding uploaden
Uploaden vanaf harde schijf
Uploaden vanaf URL