Download Inhoudsopgave Inhoud Print deze pagina

Wateraansluitingen; Controle Vooraf; Watercircuit; Waterkenmerken - Bosch Compress 2000 Awf Installatie- En Bedieningshandleiding

Verberg thumbnails Zie ook voor Compress 2000 AWF:
Inhoudsopgave

Wateraansluitingen

7
Wateraansluitingen
De unit heeft toevoer- en retouraansluitingen voor aansluiting op een wa-
terverdeelsysteem. De aansluiting op het systeem moet worden uitge-
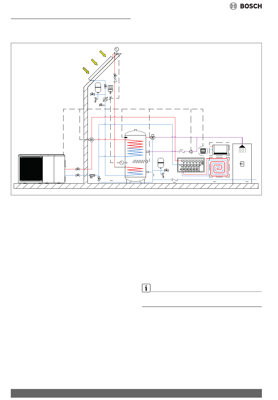
Afb. 51 Wateraansluitingen
7.1

Controle vooraf

7.1.1

Watercircuit

Voordat u de unit installeert, voert u een voorafgaande controle uit en
controleert u voor het volgende:
• Het watercircuit in de unit maakt gebruik van koperen buizen: ge-
bruik geen gegalvaniseerde onderdelen in het systeem, aangezien
deze onderhevig kunnen zijn aan overmatige.
• De maximale waterdruk moet ≤ 3 bar zijn.
• De maximale watertemperatuur moet ≤ 75 °C zijn.
• De systeemcomponenten zijn compatibel met het systeemwater en
de materialen waaruit de unit.
• De aan te leggen leidingen en systeemonderdelen zijn bestand zijn de
druk en temperatuur van het.
• Er zijn afsluiters op de laagste punten van het systeem geïnstalleerd,
zodat het circuit tijdens onderhoud volledig kan worden.
• Er zijn luchtroosters geïnstalleerd op de hoogste punten van het sys-
teem, op plaatsen die gemakkelijk toegankelijk zijn voor de service-
monteur. Binnenin de unit bevindt zich een automatische ontluchter
voor het watercircuit: controleer tijdens het laden van het systeem of
deze niet te strak is aangedraaid, zodat het effectief kan.
• De unit mag alleen worden aangesloten op gesloten watercircuits.
Aansluiting op een open circuit kan corrosie van de waterleidingen
tot gevolg hebben.
46
voerd door geautoriseerde technici en moet voldoen aan de huidige wet-
en regelgeving.
BT
BT
7.1.2

Waterkenmerken

Circulatiepompen zijn ontworpen om alleen optimaal te werken met
schoon leidingwater van goede kwaliteit en kunnen worden beïnvloed
door de aanwezigheid van zuurstof, kalkaanslag, slib, abnormale zuur-
graad en andere stoffen (waaronder chloriden en mineralen). Hetzelfde
kan gezegd worden van de platenwarmtewisselaar.
Een te hoge waterhardheid kan afzettingen en kalkaanslag veroorzaken
die de unit kunnen beschadigen. De aanwezigheid van kritische concen-
traties van andere componenten in het circuit kan corrosieve processen
of andere kwaliteitsproblemen in de circulatiepomp en platenwarmte-
wisselaar veroorzaken.
▶ Controleer of het systeemwater voldoet aan de concentratielimieten
in de tabel.
Wanneer de waterhardheid te hoog is:
▶ Installeer een waterontharder om de waarde te verminderen.
Compress 2000 AWF – 6721859589 (2023/11)
0010051807-001
Inhoudsopgave
loading

Deze handleiding is ook geschikt voor:

Cs2000awf 4-30 r-sCs2000awf 4-30 r-t

Inhoudsopgave