Download Inhoudsopgave Inhoud Print deze pagina

Instellingen Van De Extra Warmtebron - Bosch Compress 2000 Awf Installatie- En Bedieningshandleiding

Verberg thumbnails Zie ook voor Compress 2000 AWF:
Inhoudsopgave
9.2.7

Instellingen van de extra warmtebron

▶ MENU > VOOR ONDERHOUDSMONTEUR > 7. OVERIGE WARMTE-
BRON
Deze sectie wordt gebruikt om de parameters van een extra elektrische
verwarming/elektrische back-upverwarming af te stemmen op het sys-
teem (IBH), een cv-toestel (AHS) of een thermisch zonnesysteem.
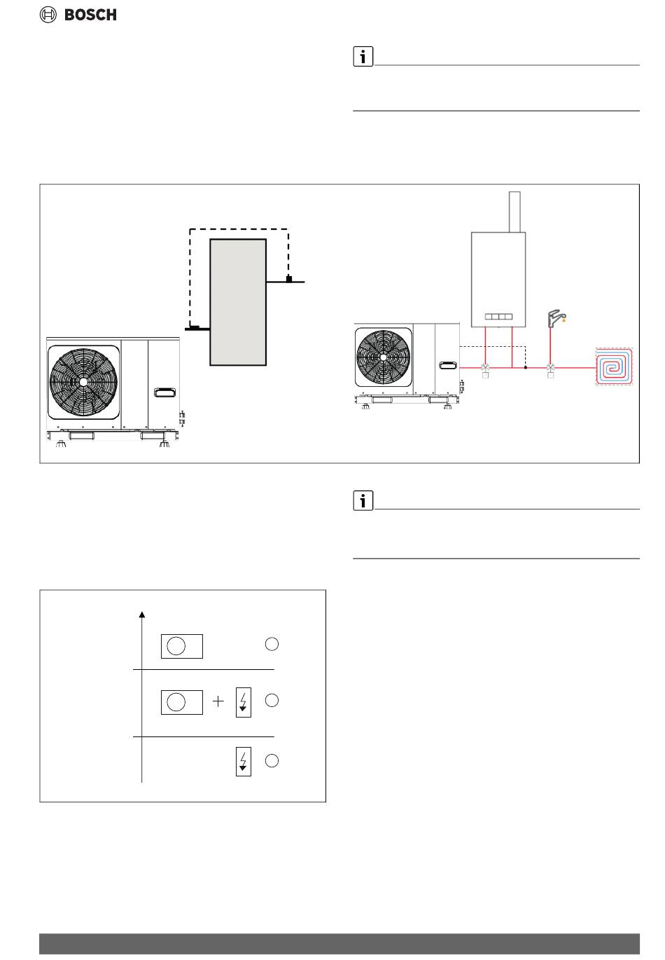
Afb. 132 Instellingen van de extra warmtebron
Tijdens de installatie:
▶ Activeren bedrijfsmodus (in verwarming, warmwatervoorziening of
beide) moet worden geselecteerd met de DIP-schakelaars op de
printplaat.
• Zeer lage buitentemperatuur: parameter T4_IBH_ON of
T4_AHS_ON: de minimale buitenluchttemperatuur voor warmte-
pompbedrijf
T
(T4)
EXT
T4_IBH_ON
T4_AHS_ON
T4DHWMIN
Afb. 133 Zeer lage buitentemperatuur
[1]
Alleen warmtepomp
[2]
Warmtepomp en verwarming
[3]
Alleen verwarming
Compress 2000 AWF – 6721859589 (2023/11)
Deze bronnen zijn optioneel en kunnen los geleverd worden. Er kan
slechts één extra verwarmingsbron tegelijk worden beheerd, hetzij een
elektrische verwarming of een cv-toestel.
Voor de aansluiting en regeling van een elektrische verwarming in een
systeem of cv-toestel is een speciale watertemperatuursonde vereist,
die op de stroomafwaartse watertoevoerleiding moet worden gemon-
teerd:
IBH
Voor het gebruik van de extra bron alleen als vervanging voor de unit:
▶ Stel de parameter in op dezelfde waarde als T4HMIN (de minimale
• Aanvoertemperatuur te ver van het instelpunt: parameter dT1_I-
• Te lang om het instelpunt te bereiken: parameter t_IBH_DELAY of
1
2
3
0010053195-001
Opstarten - initiële instellingen en functies
buitentemperatuur waarbij de warmtepomp kan werken).
BH_ON of dt1_AHS_ON: de minimale ΔT tussen waterinstelpunt TS1
en unitaanvoer T1
t_AHS_DELAY: de maximale wachttijd tussen het opstarten van de
compressor en het opstarten van de extra bron
T1 T1
0010052349-001
87
Inhoudsopgave
loading

Deze handleiding is ook geschikt voor:

Cs2000awf 4-30 r-sCs2000awf 4-30 r-t

Inhoudsopgave