Download Inhoudsopgave Inhoud Print deze pagina

Toro Sand Pro 5040 Installatie-Instructies pagina 20

Set met hydrauliekschakelaar
Verberg thumbnails Zie ook voor Sand Pro 5040:
Inhoudsopgave
3.
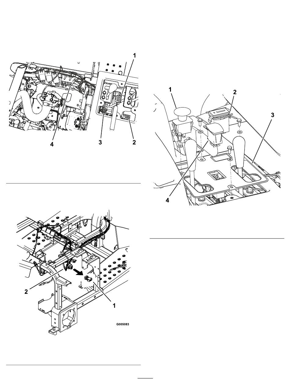
Verwijder de urenteller van het oude
bedieningspaneel.
4.
Monteer de urenteller, de aftakasschakelaar
en de werktuigschakelaar op het nieuwe
bedieningspaneel
5.
Leid de kabelboom van de schakelaar langs het
scharnier van de stoel; zie
Figuur 38
1. Schakelaarconnector
2. Aftakasconnector
6.
Verwijder de verbindingsdraad uit de
hoofdkabelboom onder het schakelbord
39).
Figuur 39
1. Verbindingsdraad
(Figuur
40).
Figuur
38.
3. Hoofdaansluiting
kabelboom
4. Zekeringhouder
2. Hoofdaansluiting
kabelboom
7.
Sluit de kabelboom aan op de schakelaar in het
schakelbord
8.
Sluit de connector van de hoofdkabelboom aan
op de hoofdkabelboom
9.
Sluit de connectors van de meegeleverde
kabelboom aan op de overeenkomende
connectors; sluit de hoofdconnector aan op
de hoofdkabelboom van de machine, de
aftakasconnector op de aftakasschakelaar en de
schakelaarconnector op de selectieschakelaar.
Sluit de bestaande connector van de urenteller
aan op de urenteller.
g243494
(Figuur
1. Aftakasschakelaar
2. Urenteller
10.
Monteer het schakelbord op de machine.
Gebruik de oorspronkelijke tapbouten en ringen.
11.
Breng de zekering aan in de juiste opening in de
zekeringhouder
12.
Monteer de relaisbeugel op het frame van de
machine
g005083
20
(Figuur
40).
(Figuur
Figuur 40
3. Bedieningspaneel
4. Werktuigschakelaar
(Figuur
38).
(Figuur
41).
40).
g241799
Inhoudsopgave
loading

Deze handleiding is ook geschikt voor:

08783

Inhoudsopgave